EasyManua.ls Logo

Learjet 20 Series - Page 69

Default Icon
373 pages
Print Icon
To Next Page IconTo Next Page
To Next Page IconTo Next Page
To Previous Page IconTo Previous Page
To Previous Page IconTo Previous Page
Loading...
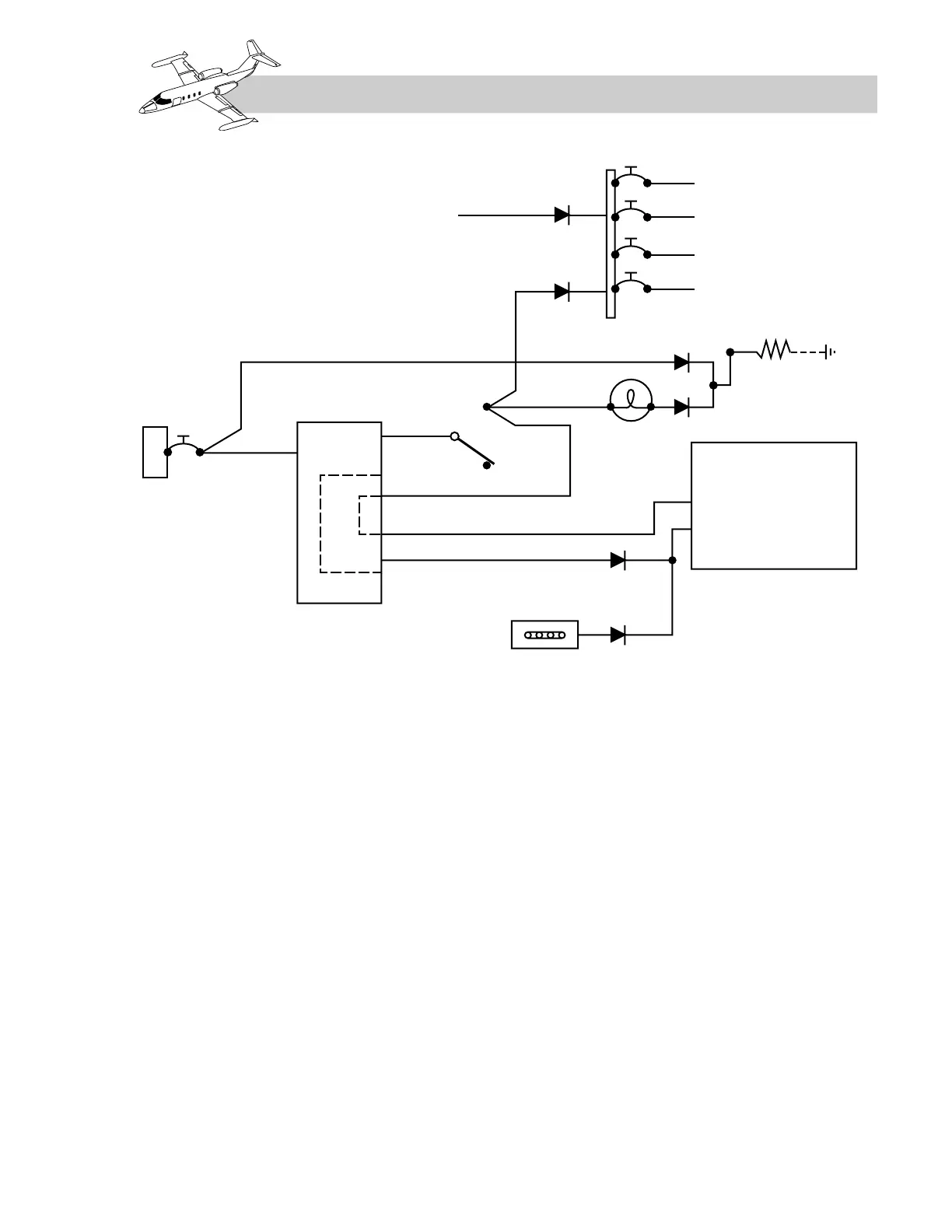
2A-23
FOR TRAINING PURPOSES ONLY
LEARJET 20 SERIES PILOT TRAINING MANUAL
FlightSafety
international
GEAR
FLAPS
SPOILERS
AUX COMM
EMERGENCY
BATTERY C/B
28 VDC
25 VDC
25-VDC INPUT
115-VAC OUTPUT
4.6-VAC OUTPUT
ON
OFF
BATTERY
INV
INSTRUMENT LIGHTS
FEEDER BUS
INPUT
ATTITUDE GYRO
INPUT POWER
INTERNAL LIGHTS
Figure 2A-21. Emergency Battery System

Table of Contents

Related product manuals