EasyManua.ls Logo

Learjet 23 - Page 199

Default Icon
373 pages
Print Icon
To Next Page IconTo Next Page
To Next Page IconTo Next Page
To Previous Page IconTo Previous Page
To Previous Page IconTo Previous Page
Loading...
10A-6
FOR TRAINING PURPOSES ONLY
LEARJET 20 SERIES PILOT TRAINING MANUAL
FlightSafety
international
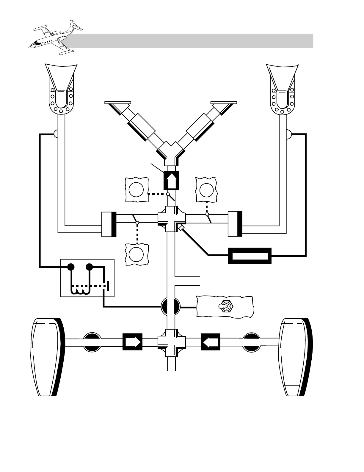
LH EXTERNAL
DEFOG OUTLET
RH EXTERNAL
DEFOG OUTLET
(OPTIONAL)
INTERNAL
OUTLETS
PLENUM CHAMBER PLENUM CHAMBER
CHECK VALVE
INTERNAL DEFOG
COPILOT’S
EXTERNAL DEFOG
WATER
ACCUMULATOR
WATER
ACCUMULATOR
PULLPULL
PULL
TO FOOTWARMER
DEFOG OFF
PILOT’S
EXTERNAL
DEFOG
DEFOG RELAY
SHUTOFF
VALVE
220°–180°F
W/S O’HEAT
SHUTOFF
VALVE
SHUTOFF
VALVE
CHECK VALVE
TO
AIR-
CONDITIONING
SYSTEM
* SNs 23-003 THROUGH 23-008
RH
ENGINE
LH
ENGINE
Figure 10A-6. Defog System—Model 23

Table of Contents

Related product manuals