EasyManua.ls Logo

Lectrosonics UCR190 - General Technical Description

Lectrosonics UCR190
12 pages
Print Icon
To Next Page IconTo Next Page
To Next Page IconTo Next Page
To Previous Page IconTo Previous Page
To Previous Page IconTo Previous Page
Loading...
3
UHF Compact Receiver
Rio Rancho, NM – USA
GENERAL TECHNICAL DESCRIPTION
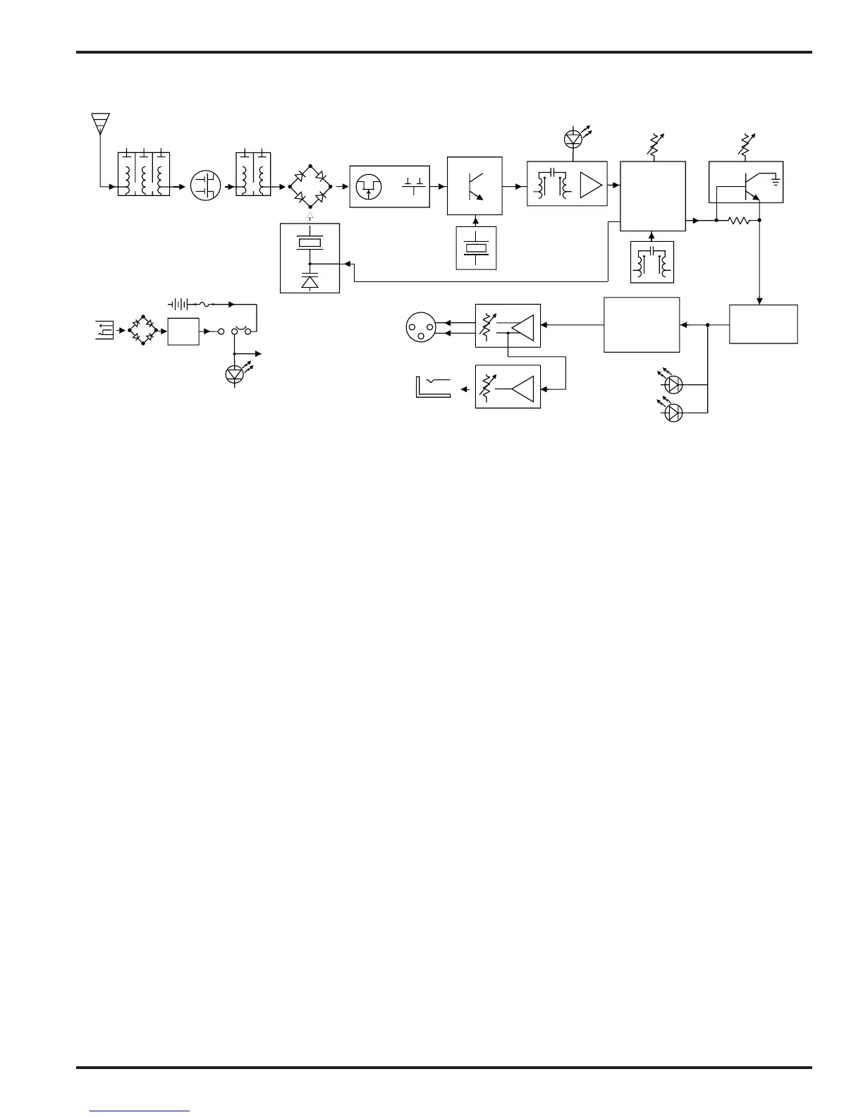
UCR190 Receiver Block Diagram
The UCR190 receiver is comprised of six major functional subsystems: the RF front-end amplifier, the double bal-
anced mixer/local oscillator, the first IF filter, the second IF filter and audio demodulator, the compandor, and the
balanced microphone level output circuit.
The RF front-end amplifier consists of a 5-section helical resonator for high selectivity. Between the first and second
helical resonators, is a low noise GAsFET amplifier. These amplifiers are designed to provide only enough gain to
make up for the inherent loss through the helical resonators. This combination of low front-end gain, coupled with the
extremely high selectivity of the cascaded helical resonators results in no overloading, even on extremely strong
signals. Rejection of out of band signals is maximized, and intermodulation products are suppressed.
The mixer stage consists of a high level double balanced diode mixer. The oscillator is biased from a regulated
supply, and includes Automatic Frequency Control (AFC) yielding stable performance over the entire life of the
battery. The local oscillator crystal operates at approximately 16 MHz, and can be adjusted above and below the
nominal frequency in order to place the 21.4 MHz IF in the center of the crystal filters narrow passband. The high
selectivity of the IF crystal filter stage further minimizes the possibility of interference from signals on adjacent
frequencies.
The second IF filter and the audio demodulator, as well as the squelch and RF output LED drive are provided by one
monolithic integrated circuit. The second IF filter is centered on 1MHz, and drives a double tuned quadrature type
FM demodulator. The squelch circuit is a supersonic noise detector type and is factory set for a -20dB SINAD level
(about .5uV). The squelch level is regulated and temperature compensated to maintain a consistent squelch level
under all conditions.
AFC
2nd Mixer
Demodulator
RF
LED
Squelch
0dB
LED
-20
LED
Ext
Off
Power
LED
+9V
Helical Resonator
Filter
GAsFET
Preamp
Helical Resonator
Filter
Double
Balanced
Mixer
1st
Local
Oscillator
9V
Battery
C
H12
Jack
+9V
Reg
1st IF Amp
and Crystal Filters
2nd
Local
Oscillator
Balanced
XLR
Output
Output Amp
& Level Control
2nd IF Amp
w/LC Filters
Dual-Band
Compandor
16 kHz
Lo-Pass Filter
Audio
Level
Hdph Amp
and Level Control
Headphone
Output
Polarity
Protection
Int
Batt
Ant

Related product manuals