EasyManua.ls Logo

LEGRAND 3750 00 - Installation Diagram for 2 Entry Doors

LEGRAND 3750 00
4 pages
Print Icon
To Previous Page IconTo Previous Page
To Previous Page IconTo Previous Page
Loading...
4
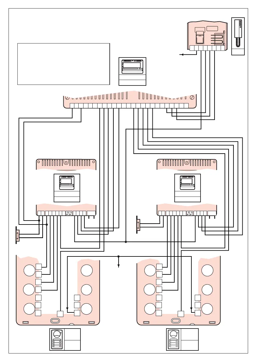
• Schéma d'installation 2 portes d'entrée
• Installation diagram for 2 entry doors
• Esquema de instalación 2 puertas de acceso
P4
P5
P4
A
B
C
D
P6
P5
P1
P3
P2
I
P3
P2
P1
Pn
2
3 4 5
1E
PP
T-71E
YX
Central audio
Ref.: 3750 00
A B C D I E
3 4 5
PRIM
2
P6
P1
P3
P2
I
YX
Central audio
Ref.: 3750 00
A B C D I Z
3 4 5
PRIM
2
P7
P8
P9
P4
A
B
C
D
P6
P5
P1
P3
P2
I
P3
P2
P1
YX
Central audio
Ref.: 3750 00
A B C D I Z
3 4 5
PRIM
2
• Important
Configurer le E-53 comme un équipement de changeur
automatique (voir notice technique du E-53).
• Important
Set the E-53 to automatic exchange equipment (refer
to E-53 technical data).
• Importante
Configure el E-53 como equipo cambiador automático
(consulte la información técnica que acompaña al E-53).
Pn1
2 6 10 C 7
29 C1 C2 3A
4A 5A
20A 28A
C3 C4 3B 4B 5B
20B 28B
3 4 5 2017
E-53
Ref.: 3750 03
230 V Ca
230 V AC
230 Vac
230 V Ca
230 V AC
230 Vac
1
ère
entrée
First door
1
er
Acceso
Série / Series
/ Serie 7
2
ème
entrée
Second door
2º Acceso
Série / Series
/ Serie 7

Related product manuals