EasyManua.ls Logo

Lemmer DC7700 - DC-3100;DC4600 Parts and Diagrams; Parts Diagram; Parts List

Default Icon
32 pages
Print Icon
To Next Page IconTo Next Page
To Next Page IconTo Next Page
To Previous Page IconTo Previous Page
To Previous Page IconTo Previous Page
Loading...
26
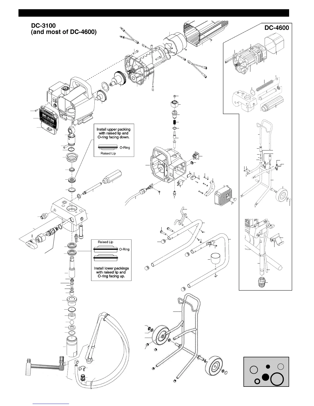
DC-3100/DC3100N / DC-4600 PARTS DIAGRAM
Oct11
Packing Kit
Caution:
Do Not use high pressure water spray
against the electric control box.
Caution:
only use fibre braid high pressure airless
hose. Do Not use steel braid hose!
140
16
17
18
15
14
19
26
27
28
25
24
23
22
29
36
35
34
33
32
31
46
47
48
42
49
41
67
8
5
4
3
2
9
1
10
30
50
56
57
58
55
54
53
52
59
51
62
61
41
67
68
69
70
75
76
73
72
71
77
78
74
80
79
85
86
3
82
81
84
90
89
95
96
93
92
91
97
98
94
99
74
104
105
106
107
108
109
110
101
102
103
100
121
122
123
124
125
126
127
128
129
130
111
112
113
114
115
116
120
131
132
133
134
135
136
137
O-ring Repair
see page 12 DC7700
Hopper elbow kit
L045-594
New brush version DC4600 parts:
L045-480 Motor, DC4600 brush version
L045-411 Fan shroud
L045-410 Fan
L045-755 Fan screw
L045-425 Shroud screw
L045-445 Circuit breaker
L045-475 Heat sink
L045-459 Relay (80)
L045-476 Screw
L045-408 Capacitor
L045-409 Motor brush kit
L045-477
138
112
113
111
139
139
45
44
43
43a

Related product manuals