EasyManua.ls Logo

Lennox CAMH025SM1M

Lennox CAMH025SM1M
48 pages
To Next Page IconTo Next Page
To Next Page IconTo Next Page
To Previous Page IconTo Previous Page
To Previous Page IconTo Previous Page
Loading...
• 15 •
CH
B11
B21
B12
B22
B13
B23
B13_1
B23_1
BS1
BS14
BS24
BS4
BS2
BS13
BS23
BS13_1
BS23_1
CH
B12B11
Acumulador
Aspiración
Compresor
Scroll BLDC
Válvula expansión
electrónica
Filtro secador
Válvula 4 vías
Válvula retención
BS1
BS14
B13
BS13
BS4
BS2
B22B21
Acumulador
Aspiración
Válvula expansión
electrónica
Filtro secador
Válvula 4 vías
Válvula retención
BS1
BS24
B23
BS23
BS2
BS4
Ventilador
PLUG FAN
Ventilador
PLUG FAN
Batería
Ventilador
PLUG FAN
Ventilador
PLUG FAN
CH
CH
Installation Manual • COMPACTAIR ADV IOM-MIL157E-0418
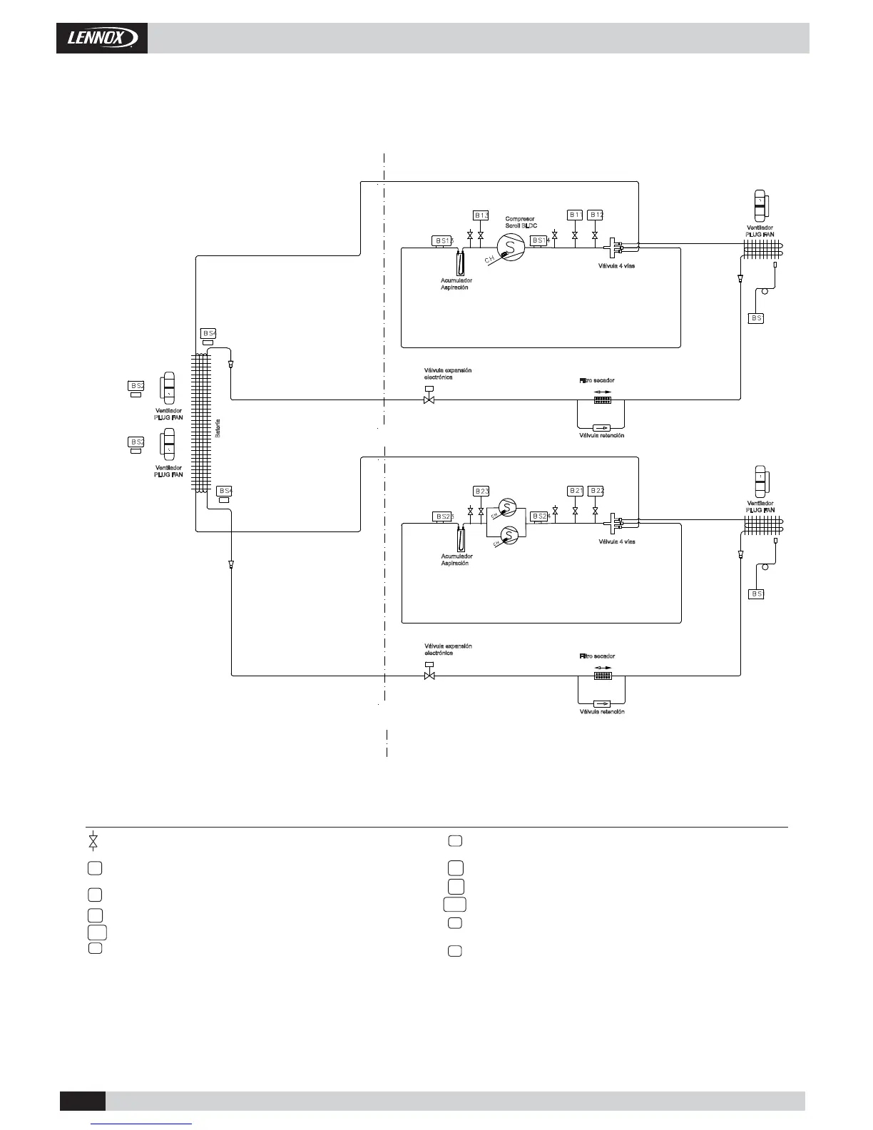
1.- GENERAL CHARACTERISTICS
1.7.- HEAT PUMP PIPING DRAWINGS.
Pressure gauge. (5/16" to be tted by the installer).
High pressure switch.
High pressure transducer.
Low pressure transducer.
Crank case heater.
Outdoor temperature sensor.
Unloading sensor.
Suction sensor.
Air return sensor.
Impulsion air sensor.
CAMH025 & CAMH035 & CAMH045
PACKAGE UNITS
PIPING DRAWINGS

Related product manuals