EasyManua.ls Logo

Lennox G61MPV Series - Page 28

Lennox G61MPV Series
67 pages
Print Icon
To Next Page IconTo Next Page
To Next Page IconTo Next Page
To Previous Page IconTo Previous Page
To Previous Page IconTo Previous Page
Loading...
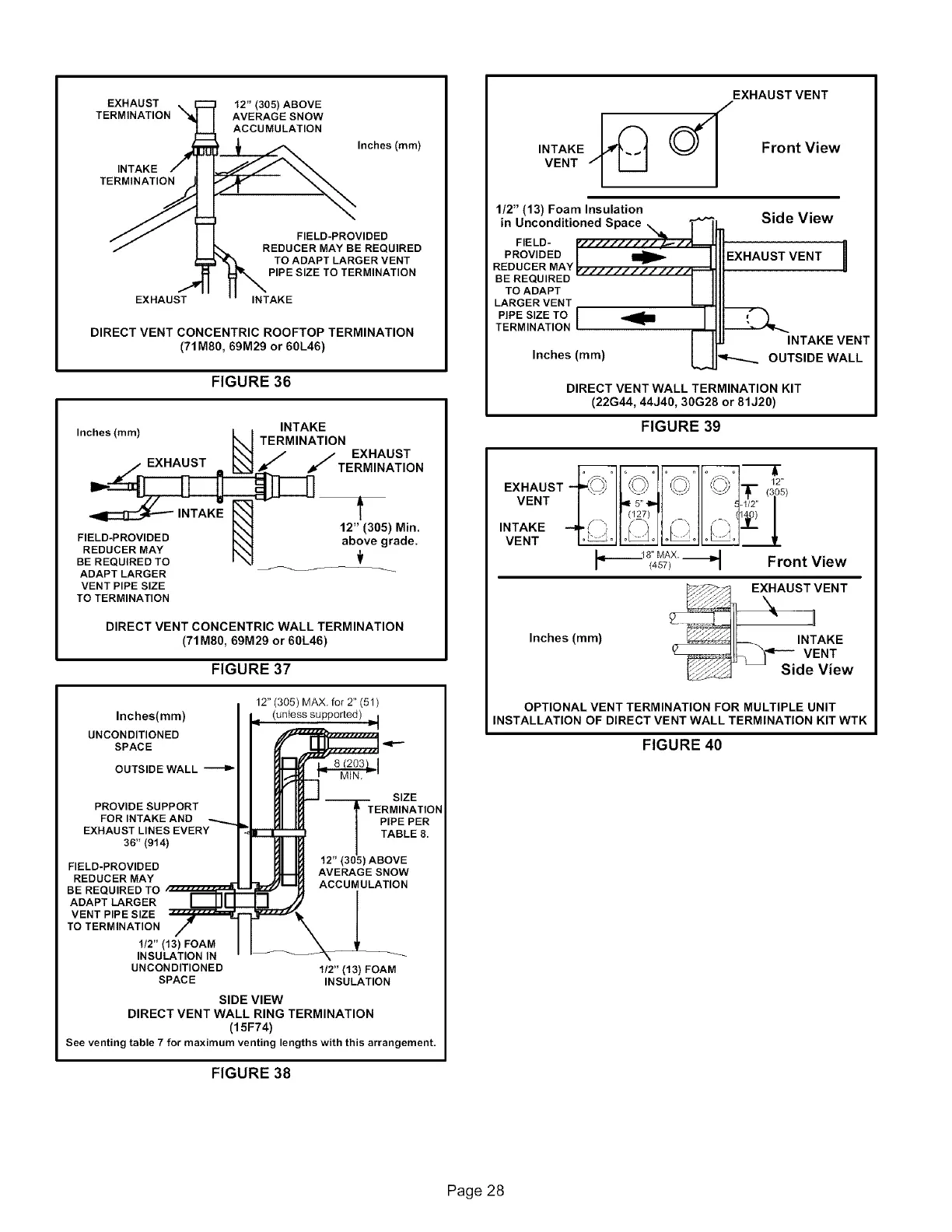
EXHAUST 12" (305) ABOVE
TERMINATION AVERAGE SNOW
ACCUMULATION
INTAKE
TERMINATION
Inches (mm)
FIELD-PROVIDED
REDUCER MAY BE REQUIRED
TO ADAPT LARGER VENT
PIPE SIZE TO TERMINATION
EXHAUST INTAKE
DIRECT VENT CONCENTRIC ROOFTOP TERMINATION
(71M80, 69M29 or 60L46)
FIGURE 36
Inches (mm)
EXHAUST
FIELD-PROVIDED
REDUCER MAY I_
BE REQUIRED TO
ADAPT LARGER
VENT PiPE SIZE
TO TERMINATION
INTAKE
TERMINATION
EX.AUST
TERMINATION
f
12" (305) Min.
above grade.
f
DIRECT VENT CONCENTRIC WALL TERMINATION
(71 M80, 69M29 or 60L46)
FIGURE 37
Inches(ram)
UNCONDITIONED
SPACE
OUTSIDE WALL
12" (305) MAX. for 2" (51)
(unless supported) ,_11
SIZE
PROVIDE SUPPORT ---_TERMINATION
FOR INTAKE AND / PIPE PER
EXHAUST LINES EVERY / TABLE 8.
36" (914)
/
FIELD-PROVIDED 12" (305) ABOVE
AVERAGE SNOW
REDUCER MAY ACCUMULATION
BE REQUIRED TO
ADAPT LARGER
VENT PIPE SIZE
TO TERMINATION
1/2" (13) FOAM
INSULATION IN
UNCONDITIONED 1/2" (13) FOAM
SPACE INSULATION
SIDE VIEW
DIRECT VENT WALL RING TERMINATION
(15F74)
See venting table 7 for maximum venting lengths with this arrangement.
FIGURE 38
INTAKE __'_
VENT
EXHAUST VENT
_ Front View
1/2" (13) Foam Insulation
in Unconditioned Space Side View
FIELD- L
PROVIDED EXHAUST VENT
REDUCER MAY
U
BE REQUIRED
TO ADAPT
LARGER VENT
PIPE SIZE TO |
TERMINATION
INTAKE VENT
Inches (ram) OUTSIDE WALL
DIRECT VENT WALL TERMINATION KIT
(22G44, 44J40, 30G28 or 81J20)
FIGURE 39
EXHAUST -'_ ° [°_1°[ °_,__,_° °1'_\_'_°-r (i025)
VENT |'" }q 5::'_,,,I .... _-_2"
(127) 1 0)
INTAKE 4('; 1_-2!I r _ :' 'r-"l_°)
VENT I°_°11 o_o I°_°11 o_ "q
18" MAX.
(457) "_ Front View
Inches(mm)
_._ EXHAUST VENT
_IL_ INTAKE
VENT
_ -- Side View
OPTIONAL VENT TERMINATION FOR MULTIPLE UNIT
INSTALLATION OF DIRECT VENT WALL TERMINATION KIT WTK
FIGURE 40
Page 28

Related product manuals