EasyManua.ls Logo

Lennox LGH 072 - Page 83

Lennox LGH 072
140 pages
Print Icon
To Next Page IconTo Next Page
To Next Page IconTo Next Page
To Previous Page IconTo Previous Page
To Previous Page IconTo Previous Page
Loading...
Page 19
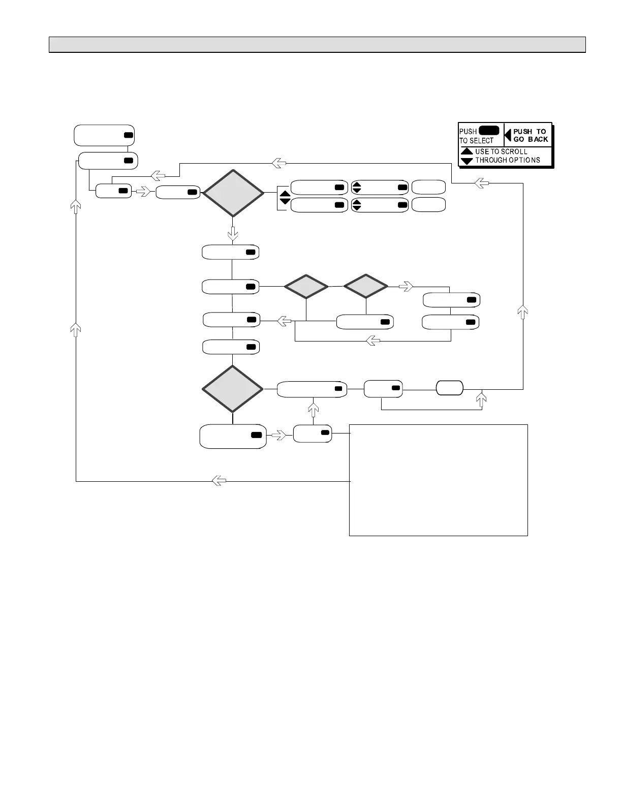
SETTINGS Menu Interface SETTINGS (Continued)
SETTINGS > CONTROL > MSAV
(Multi‐stage air volume)
Select SETTINGS > CONTROL > MSAV as shown in the
following diagram; default settings will be in place. You may
adjust those settings to suit the building's requirements. The
following diagram shows the MSAV menu's structure and
illustrates how to use the controls to make changes.
CONTROL
MSAV
YES
SmartAir
Flow™ or
non-A Box
installed?
NO
BLOWER
XX%
[20 to 100%]
! SET !
YES
N=2?
NO
YES
N=3?
NO
SETTINGS
(N=4)
NOTE - “N” IS THE
NUMBER OF
COMPRESSORS IN
THE UNIT
COOLING
HIGH CFM
HEAT CFM
COOLING
LOW CFM
VENT CFM
COOL
MED CFM
COOL MED
HIGH CFM
COOL MED
LOW CFM
MSAV
HIGH SPEED
MSAV
LOW SPEED
XX%
[20 to 100%]
! SET !
SmartAirFlow™
Installed
START BLOWER
TO CALIBRATE?
YES
NO
SAVE SETTINGS
YES /
NO
YES /
NO
1.. STARTING BLOWER
2.. BLOWER ON
3.. CLOSING DAMPER
4.. CALIBRARING SETTINGS
5.. Display CALIBRATING SETTINGS for 5 seconds
6.. CALIBRATION PROGRESS IN xx %
7.. CALIBRATION COMPLETE
NOTE: M2 WILL RESET AFTER THE CLIBRATION
PROCESS.
CALIBRATION / VALIDATING
NO
YES
YES
NO
! SET !
NOTE - SAVE SETTING WITHOUT
RECALIBRATING

Related product manuals