EasyManua.ls Logo

Lennox LGH102H4B

Lennox LGH102H4B
86 pages
To Next Page IconTo Next Page
To Next Page IconTo Next Page
To Previous Page IconTo Previous Page
To Previous Page IconTo Previous Page
Loading...
Page 79
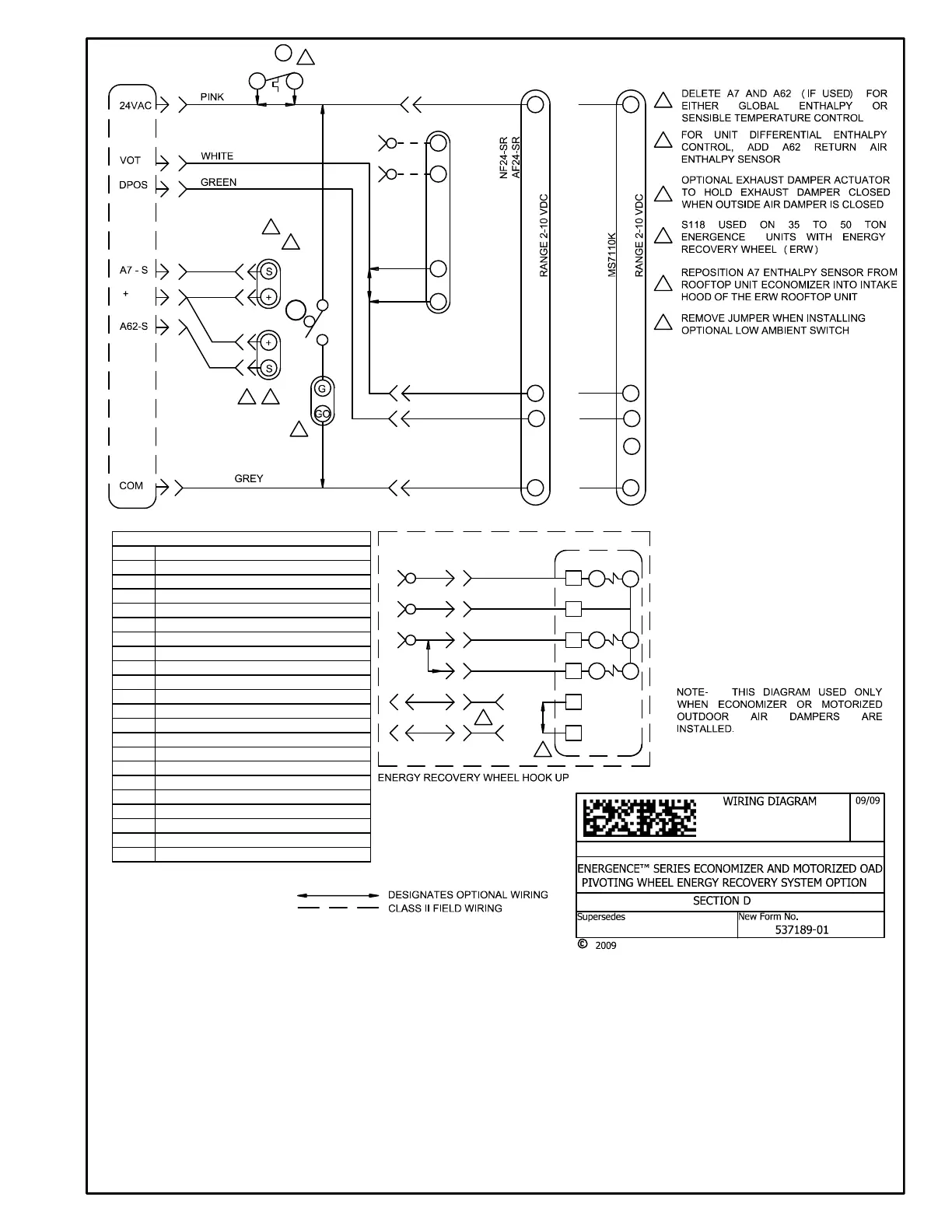
DESCRIPTION
KEY COMPONENT
A7
SENSOR, SOLID STATE ENTHALPY
A130
CONTROL, ERS
A55
CONTROL, MAIN PANEL LENNOX
A62
SENSOR, ENTHALPY INDOOR
A72
CONTROL, REMOTE MIN POS (OPT)
B7
MOTOR, DAMPER ECONOMIZER
B43
MOTOR, EXHAUST DAMPER
J3
JACK, UNIT ECONOMIZER
J104
JACK, SENSOR OUTDOOR ENTHALPY
J105
JACK, SENSOR RETURN AIR ENTHALPY
J153
JACK, ENTHALPY / DAMPER MOTOR
J193
JACK, ENTHALPY SENSOR
J298A
JACK, IAQ INTERFACE
J262A
JACK, DAMPER MOTOR
J262B
JACK, ENTHALPY SENSORS
P3
PLUG, ECONOMIZER BYPASS
P153
PLUG, ENTHALPY / DAMPER MOTOR
P193
PLUG, ENTHALPY SENSOR
P262
PLUG, ECONOMIZER OUTPUT
S118
THERMOSTAT, DESICANT DEFROST
S174
SWITCH, EXHAUST DAMPER
A55
P262
B
7
8
A7
P104
B7
2
3
5
1
A72
2
1
4
3
1 2
1
B7
RED
WHITE
BRWN
BLK
J262A
1
J262A
2
A62
3
4
J104
2
1
P3
J3
3
J298
1
2
8
9
7
P105
J105
1
3
9
B43
S174
3
S118
R
W
B
J298
8
9
10
P153
J153
1
3
2
4
5
6
P193
J104
2
1 1
J193
2
4
TB37
1
3
2
4
K1
K2
K4
5
6
A130
5
5
6
Lennox Commercial
ACCESSORIES
1
2
3
5
4
6
ECONOMIZER
SEQUENCE OF OPERATION
ECONOMIZER
POWER:
1- A55 Unit Controller energizes the economizer components with 24VAC.
OPERATION:
2- The A55 Unit Controller along with outdoor enthalpy sensor A7 and indoor enthalpy sensor A62
(if differential enthalpy is used) powers the damper motor B7.
3- A55 supplies B7 with 0 - 10 VDC to control the positioning of economizer.
4- The damper actuator provides 2 to 10 VDC position feedback.
2

Table of Contents

Related product manuals