EasyManua.ls Logo

Lennox LRP14HP30 - Page 41

Lennox LRP14HP30
49 pages
Print Icon
To Next Page IconTo Next Page
To Next Page IconTo Next Page
To Previous Page IconTo Previous Page
To Previous Page IconTo Previous Page
Loading...
Page 41
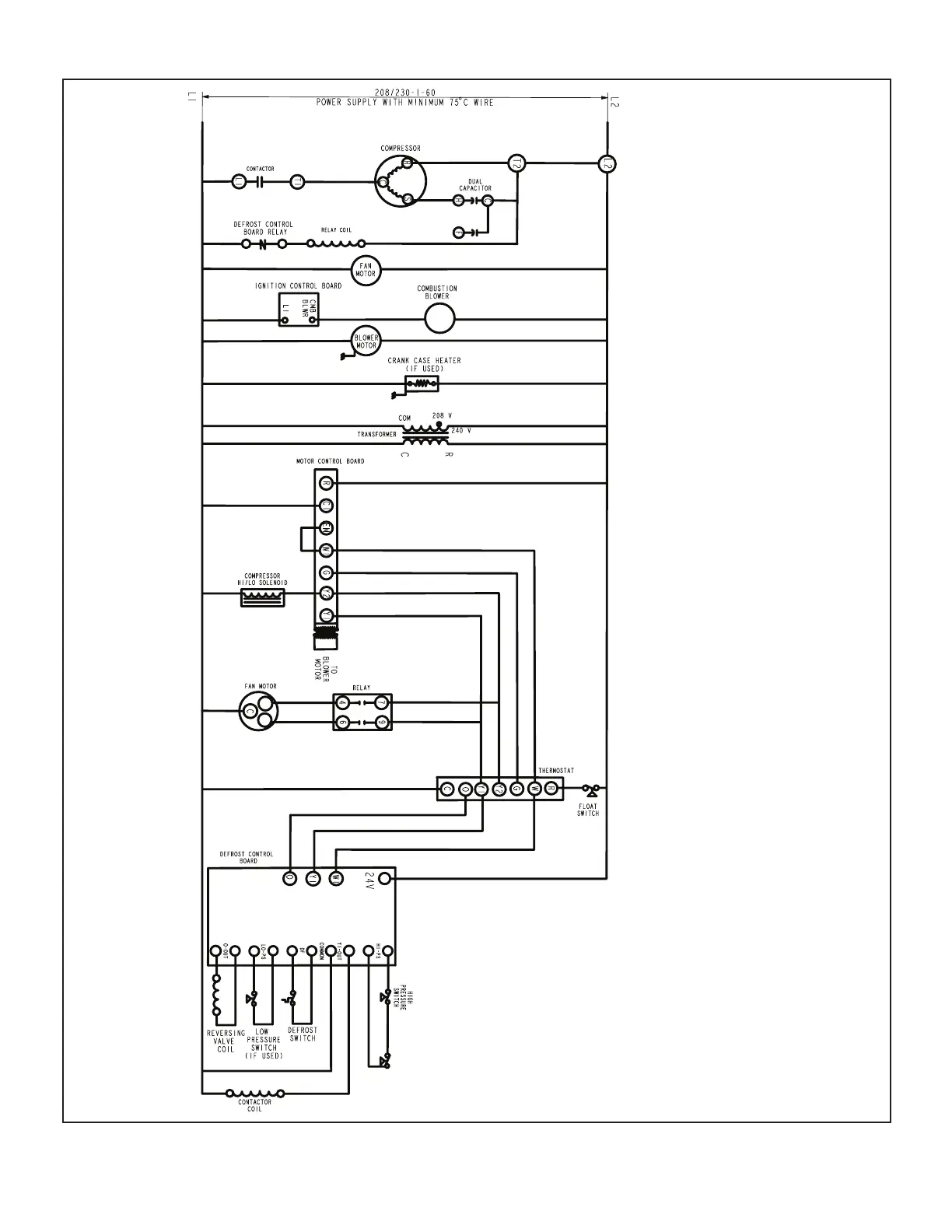
LRP16HP Unit Wiring – Single Phase
FIGURE 21

Related product manuals