EasyManua.ls Logo

Lennox M33A036S4-1P

Lennox M33A036S4-1P
28 pages
To Next Page IconTo Next Page
To Next Page IconTo Next Page
To Previous Page IconTo Previous Page
To Previous Page IconTo Previous Page
Loading...
23
COMP
FM1
MAIN BOARD
RED
BLACK
U
V
W
Y/G
Y/G
L
L-PRO
T3
T4
CODE PART NAME
COMPRESSOR
HEAT1
4 WAY VALVE
COMP
EXV
ELECTRIC EXPANSION
VALVE
H-PRO
L-PRO
LOW PRESSURE SWITCH
HIGH PRESSURE SWITCH
T3
T4
OUTDOOR COIL TEMP.
SENSOR
OUTDOOR TEMP. SENSOR
P O W E R SU P P LY
H-PRO
SV
L
PFC INDUCTOR
COMPRESSOR
DISCHARGE
TEMP. SENSOR
RED
BLACK
V
U
CN19
CN51
CN55
W
EXV
BLACK
DRIVER BOARD
RED
7
7
YELLOW
BLUE
P-1
FM1
OUTDOOR DC FAN
CN53
CN20
CN34
CN3
CN4
CN10
CN40
CN22
CN44
CN8
CN9
CN7
CN2
CN1
CN5
CN54
CN52
CN33
ORANGE
ORANGE
M
5
CN6
SV
4 WAY
VALVE
ORANGE
ORANGE
CN12 CN11
BLACK
RED
BLUE
BLUE
BLUE
YELLOW
RED
BLACK
RED
BLACK
TO INDOOR COMM. BUS
XT2
YELLOW
GRAY
S1
S2
NOTEP lease use 2-core
shielded wire.
XT1
L1
L2
L1
L2
2
)(
1
( )
RED
BLACK
MAIN
TO INDOOR UNIT
POWER SUPPLY
HEAT2
HEAT1
CRANKCASE HEATER
PAN HEATER
HEAT2
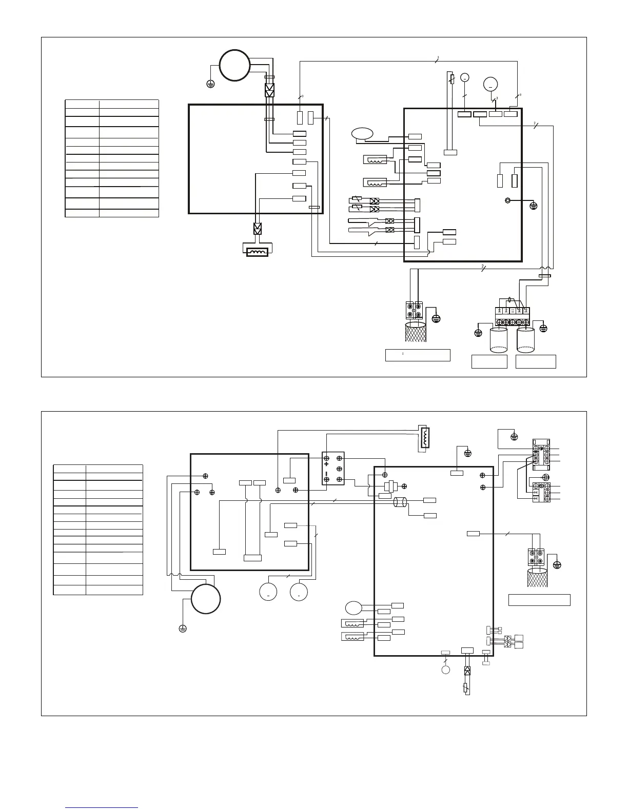
Figure 36. 208/230V MPA036S4S-*P Outdoor Unit Wiring Diagram
CODE
PART NAME
COMPRESSOR
D
CT1
AC CURRENT DETECTOR
4-WAY VALVE
COMP
DCFAN1,DCFAN2
H-PRO
L-PRO
LOW PRESSURE SWITCH
HIGH PRESSURE SWITCH
T3
T4
OUTDOOR COIL
TEMP. SENSOR
OUTDOOR TEMP. SENSOR
DIODE MODULE
SV
L
PFC INDUCTOR
TH
HEATSINK TEMP. SENSOR
T5
DISCHARGE
TEMP. SENSOR
MAIN BOARD
OUTDOOR DC FAN
CN15
A
ELECTRONIC
EXPANSION
VALVE A
CN8
T5
01NC
RED
YELLOW
L-PRO
H-PRO
9NC
T4
T3
D
12
3
4
5
CN22
CN19
CN7
CN20
CN55
CN24
CN11
CN25
CN17
CN39
CN18
HEAT_D
HEAT_Y
SV
4-WAY
BLUE
BLUE
RED
BLUE
CN4
CN2
CN3
CN1
COMP
U
V
W
Y/G
DCFAN2
DCFAN1
5
5
CN6
CN5
CN8
CN15
CN9
CN14
7
5
CN6
CN3
L
YELLOW
YELLOW
U
V
W
BLUE
BLACK
RED
Y/G
CN39
WHITE
BLACK
BLACK
BLACK
RED
BLACK
RED
CN12
TH
TO INDOOR COMM. BUS
XT2
LLEY OW
ARG Y
S1
S2
NOTE
shielded wire.
Please use 2-core
2
Y/G
P-6
CH5
CT1
L2
L1
MAIN
POWER SUPPLY
XT1
TO INDOOR UNIT
L1
Y/G
RED
BLACK
XT3
1
( )
(
L2
)
2
1
( )
(
L2
)
2
HEAT_Y
CRANKCASE HEATER
PAN HEATER
HEAT_D
6
Compressor and Outdoor
Fan Control Board
Figure 37. 208/230V MPA048S4S-*P Outdoor Unit Wiring Diagram

Other manuals for Lennox M33A036S4-1P

Related product manuals