EasyManua.ls Logo

Lennox MMDA048S4-*P

Lennox MMDA048S4-*P
168 pages
To Next Page IconTo Next Page
To Next Page IconTo Next Page
To Previous Page IconTo Previous Page
To Previous Page IconTo Previous Page
Loading...
60
EXV
4-WAY
VALVE
TS
••••
COMPONENT IN DASH
LINE IS OPTIONAL
OR FIELD WIRING.
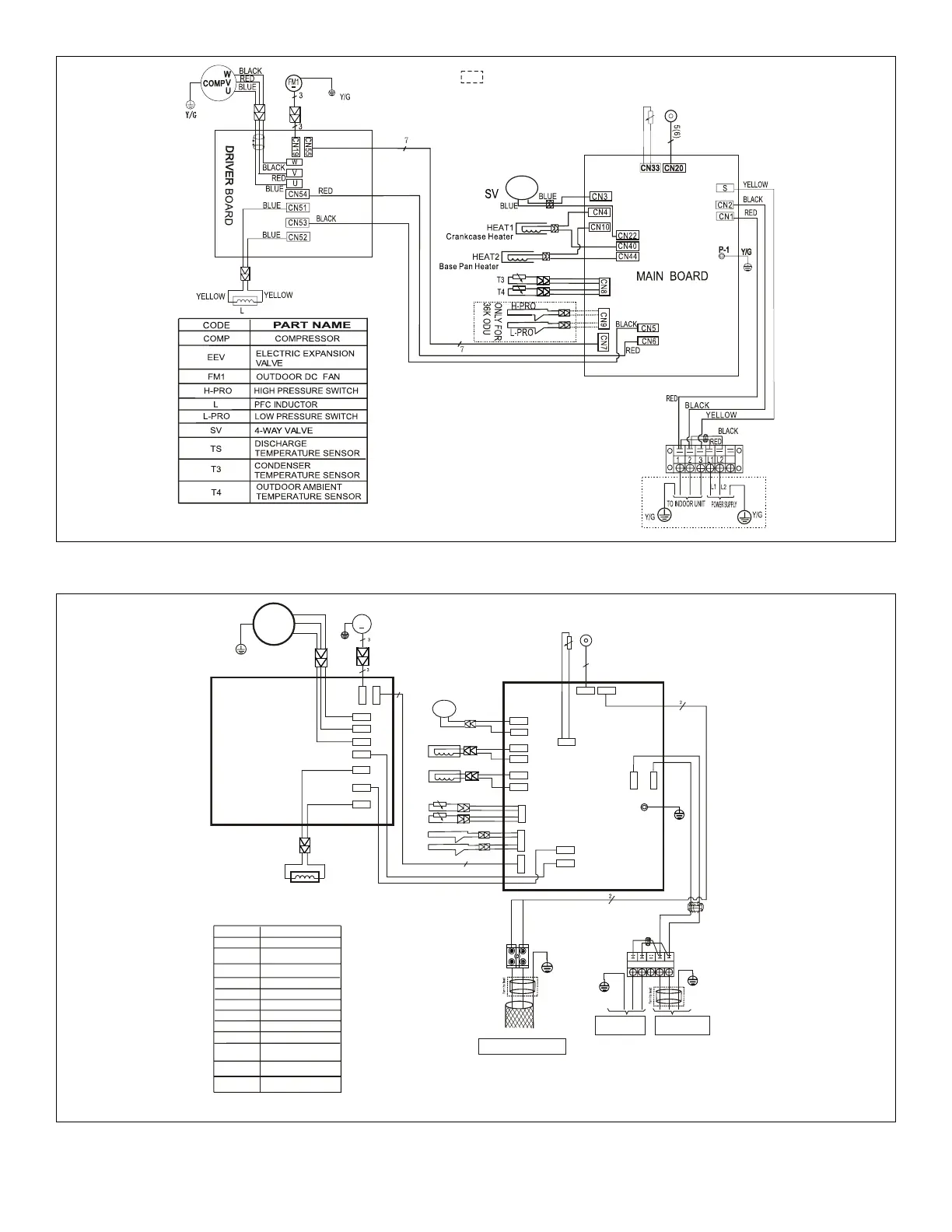
Figure 16. 208/230V MPB030S4S-*P, Outdoor Unit Wiring Diagram
CO MP
MAIN B OA RD
R ED
BLACK
U
V
W
Y/G
Y/G
L
L-PRO
T3
T4
CODE PART NAME
COMPRESSOR
HEAT 1
4-W AY VALVE
COMP
EXV
ELECTRIC EXPANS ION
VALV E
H-PRO
L-PRO
LOW PRESSURE SWIT CH
HIGH PRE SSURE SWIT CH
T3
T4
OUTDOOR COIL
TEMPERATU RE SENSOR
OUTDOOR
TEMPERAT URE SENSOR
CRANKCAS E HEAT ER
POWER SUPPLY
H-PRO
SV
L
PFC INDUCTOR
T5
T5
COMP RESS OR DISCH ARGE
TEMP ERA TURE SENS OR
RED
BLA CK
V
U
CN19
CN51
CN55
W
EXV
BLACK
DRIVER BOARD
RED
7
7
YELLOW
BLUE
P-1
FM1
OUTDOOR DC FAN
CN53
CN20
CN34
CN3
CN4
CN10
CN40
CN22
CN44
C N8
C N9
CN7
CN2
C N1
CN5
CN54
CN52
CN33
5
CN6
SV
4-WAY
VALVE
BLUE
BLUE
HEAT2
HEAT1
BLACK
RED
BLUE
BLUE
BLUE
YELLOW
RED
BLACK
RED
BLACK
TO INDOOR COMM. BUS
XT 2
YE LL O W
G R AY
S1
S2
XT 1
L1
L2
L1
L2
2
)(
1
()
RED
B LAC K
MAIN
TO INDOOR UNIT
POWER SUPPLY
FM 1
Y/G
BLACK
BLACK
RED
RED
HEAT 2
PAN HEAT ER
NOTE: PLEASE USE 2-CORE
SHIELDED WIRE
Figure 17. 208/230V MPB036S4S-*P Outdoor Unit Wiring Diagram

Table of Contents

Other manuals for Lennox MMDA048S4-*P

Related product manuals