EasyManua.ls Logo

Lennox RGEN30 - Page 45

Lennox RGEN30
52 pages
To Next Page IconTo Next Page
To Next Page IconTo Next Page
To Previous Page IconTo Previous Page
To Previous Page IconTo Previous Page
Loading...
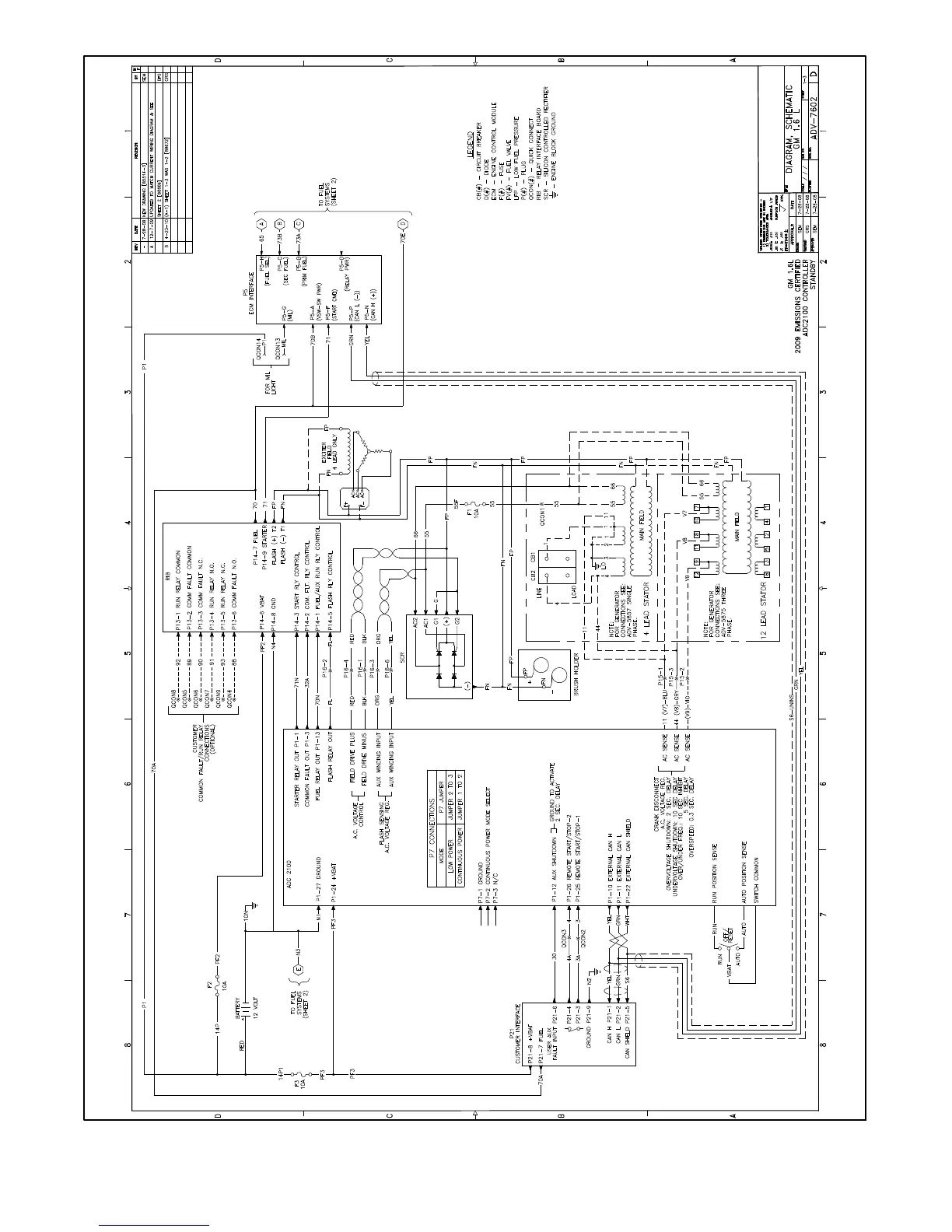
XP-6341 6/10 45Section 4 Diagrams and Dimension Drawings
Figure 4-15 Schematic Diagram, ADV-7602A-B, Sheet 1

Related product manuals