EasyManua.ls Logo

Lennox VRF VWMB030H4

Lennox VRF VWMB030H4
17 pages
To Next Page IconTo Next Page
To Next Page IconTo Next Page
To Previous Page IconTo Previous Page
To Previous Page IconTo Previous Page
Loading...
13
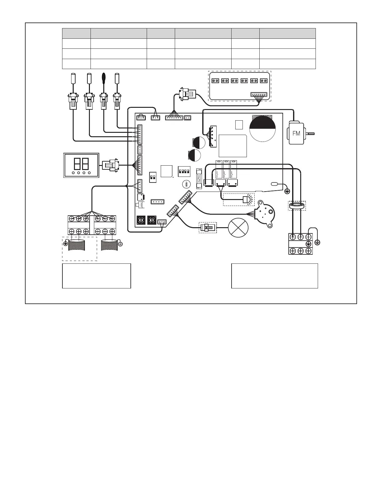
Figure 15. Typical VWMB007H4-3 to VWMB018H4-3 Wiring Diagram
Typical wiring diagram. Refer to wiring diagram on the unit for actual wiring.
Y/G
ALARM
CN8
XS5
XS6
XP5
XP6
XS6XP6
EEV
POWER IN
XT1
XT2
L1 L2
CN9
CN53
CN4
ENC1 ENC2
CN19
CN24
CN300
CN30
CN14
CN1 CN2 CN3
S1
CN55
CN16
CN5
CN18
FUSE 50T-250V/5A
CN6
CN7
GM
RED
BLUE
3 41 2
ON
SW1
1 2
ON
SW8
NOTE
COMPONENT IN DASH LINE IS
OPTIONAL OR FIELD WIRING
Display panel
To Outdoor
COMM. BUS
To wired Controller
COMM.BUS
HA HB
COM
P
12V
Q
GRAY
YELLOW
BLUE
WHITE
BLACK
RED
HHE interface
FAN
CTON HTON AUXH NET0 NET1
Current range (0~1A)
Voltage range (0~AC/DC24V)
CN1
T2B
T1
T2
T2A
RED
WHITE
BLUE
BLACK
XS1XP1
XS2XP2
XS3XP3
XS4
XP4
NOTE:
1.REFER TO MANUAL FOR
COMMUNICATION WIRING
2.PLEASE USE THE 3-CONDUCTOR
SHIELDED CABLE
NameCode NameCode NameCode
FM
GM TX1-2
EEV
T2
T2A
XP1-7/XS1-7
T1Indoor fan motor
Swing motor
Electronic expansion valve
Room temp. sensor
Mid-pipe temp. sensor
Inlet pipe temp. sensor
T2B Outlet pipe temp. sensor
Terminal
Connectors

Related product manuals