EasyManua.ls Logo

Lennox VRF VWMB030H4

Lennox VRF VWMB030H4
17 pages
To Next Page IconTo Next Page
To Next Page IconTo Next Page
To Previous Page IconTo Previous Page
To Previous Page IconTo Previous Page
Loading...
14
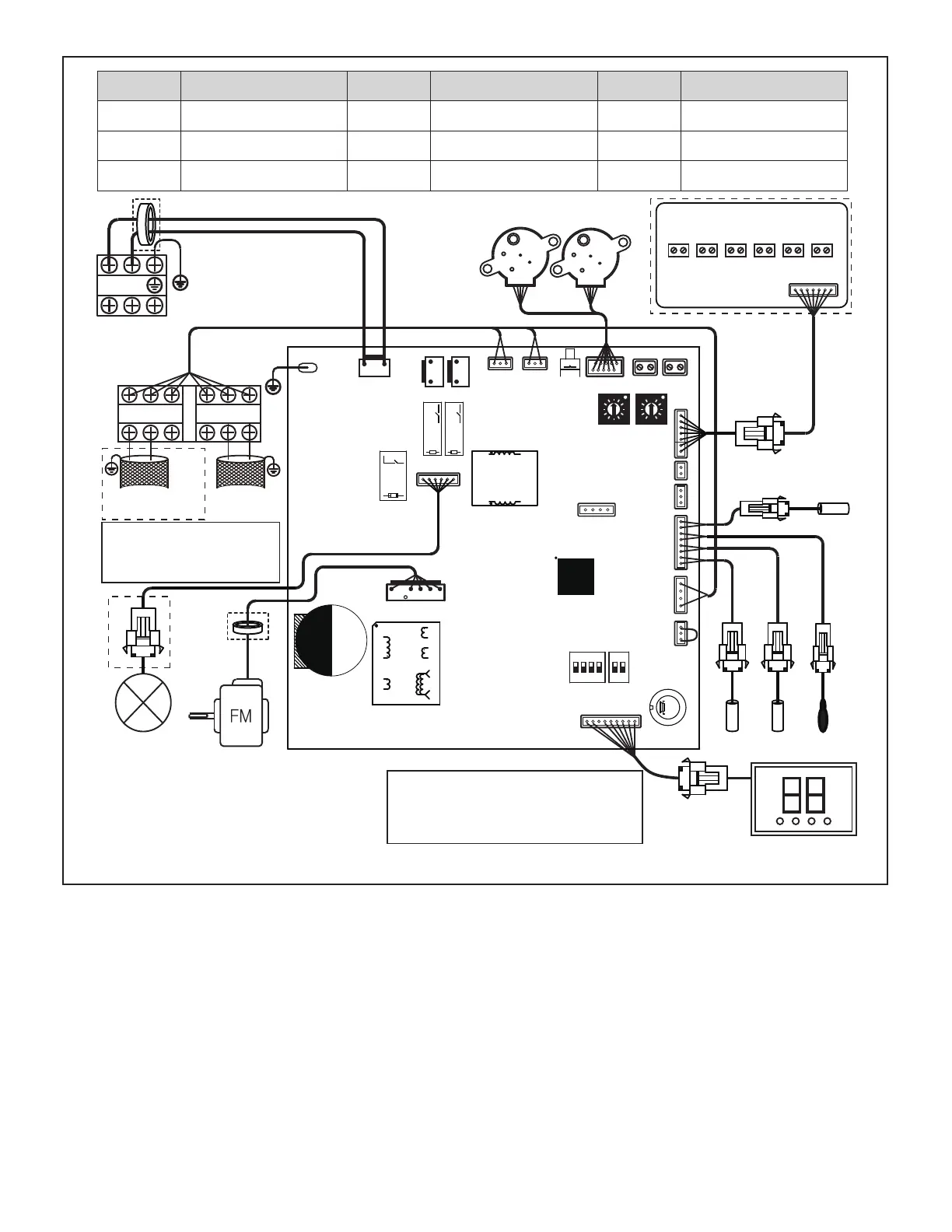
Figure 16. Typical VWMB024H4-3 to VWMB030H4-3 Wiring Diagram
Typical wiring diagram. Refer to wiring diagram on the unit for actual wiring.
EEV
POWER IN
XT1
L1 L2
3 41 2
ON
SW1
1 2
ON
SW8
CN300
CN4
CN53
CN14 CN54CN2
CN7 CN6
CN1
CN8
CN16 SW11 CN5
ENC1
ENC2
CN18
CN24
CN10
CN3
CN30
CN19
CN15
To Outdoor
COMM. BUS
To wired Controller
COMM.BUS
RED
BLUE
GM
GM
HA HB
COM
P
12V
Q
GRAY
YELLOW
BLUE
WHITE
BLACK
RED
NOTE
COMPONENT IN DASH LINE IS
OPTIONAL OR FIELD WIRING
NOTE:
1.REFER TO MANUAL FOR
COMMUNICATION WIRING
2.PLEASE USE THE 3-CONDUCTOR
SHIELDED CABLE
T2A T2 T1
T2B
RED
WHITE
BLUE
BLACK
Display panel
HHE interface
FAN
CTON HTON AUXH NET0 NET1
Current range (0~1A)
Voltage range (0~AC/DC24V)
CN1
XS1
XP1
XS2
XP2
XS3
XP3
XS4
XP4
XS5 XP5
XS6XP6
XS7XP7
NameCode NameCode NameCode
FM
GM TX1-2
EEV
T2
T2A
XP1-7/XS1-7
T1Indoor fan motor
Swing motor
Electronic expansion valve
Room temp. sensor
Mid-pipe temp. sensor
Inlet pipe temp. sensor
T2B Outlet pipe temp. sensor
Terminal
Connectors

Related product manuals