EasyManua.ls Logo

Lenze 33.9226 E - Page 77

Lenze 33.9226 E
86 pages
Print Icon
To Next Page IconTo Next Page
To Next Page IconTo Next Page
To Previous Page IconTo Previous Page
To Previous Page IconTo Previous Page
Loading...
73
C087
C088
C089
C091
C022
C059
C093
C018
C054
cos phi
Motor nameplate
PWM
Power stage
f
chop
Current vector
calculation
IGBTs
8 bit
Monitor2
LED I
max
Current transformer
I
mot
Ixt utilization
C061
28
63
C040
STP-key
RFR
RFR
IMP
LED IMP
LED RDY
RDY
C067
On-delay
Status
supply module
State bus
X6
LU
OC5
OUE
OH1
Trip Set
EEr
OH2
Short circuit
Earth fault
Sd2
OC1
OC2
41
44
U
V
W
RDY
TRIP
Pulse inhibit
i
act
Heat sink temperature
Supply voltage
+15V
UEr
CCr
Pr
U15
27
Trip Reset
Fault memory
ASM
26
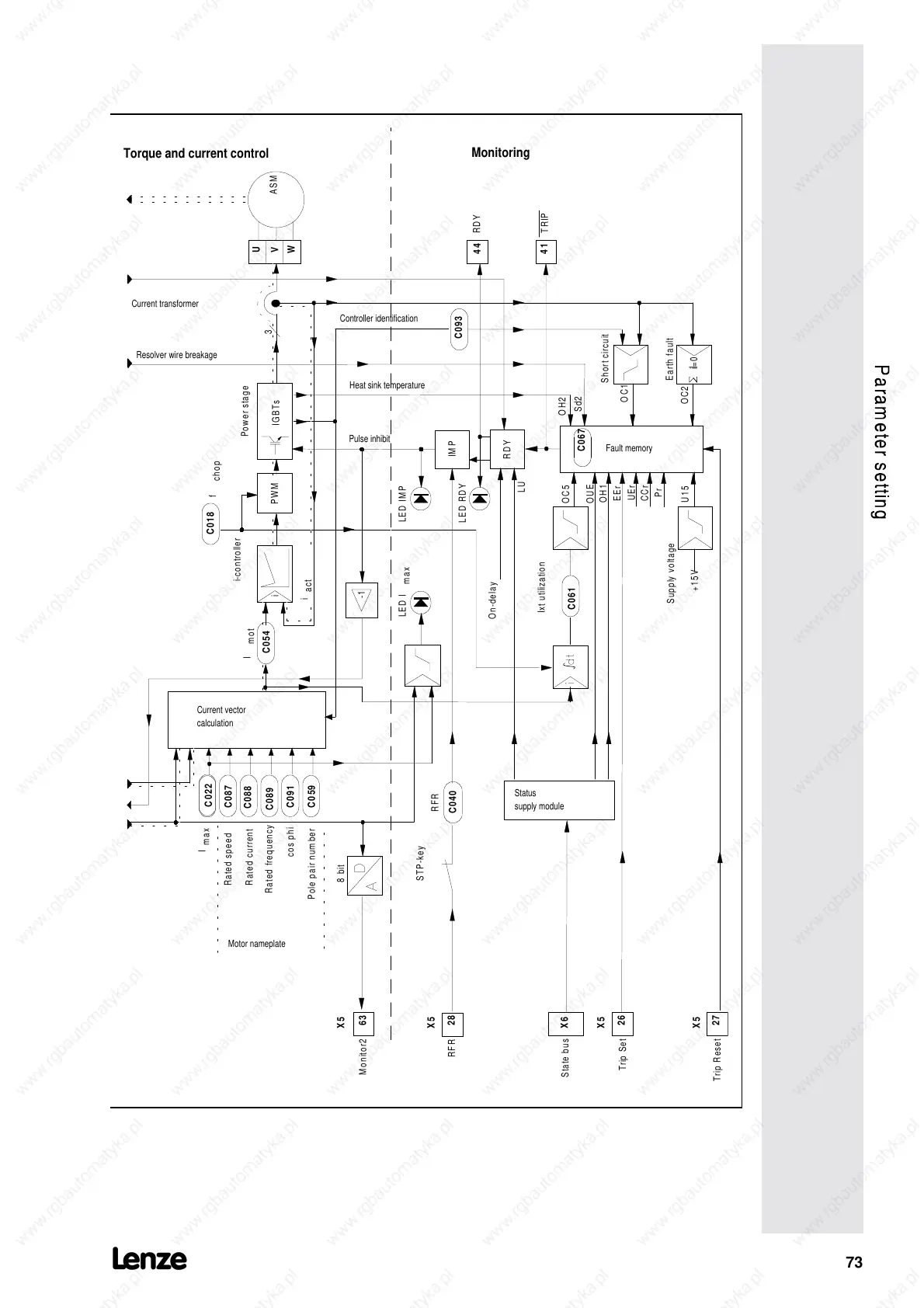
Torque and current control
Monitoring
i-controller
i
i=0
3
Rated speed
Rated current
Rated frequency
Pole pair num ber
Resolver wire breakage
Controller identification
I
max
-1
X5
X5
X5
X5

Related product manuals