EasyManua.ls Logo

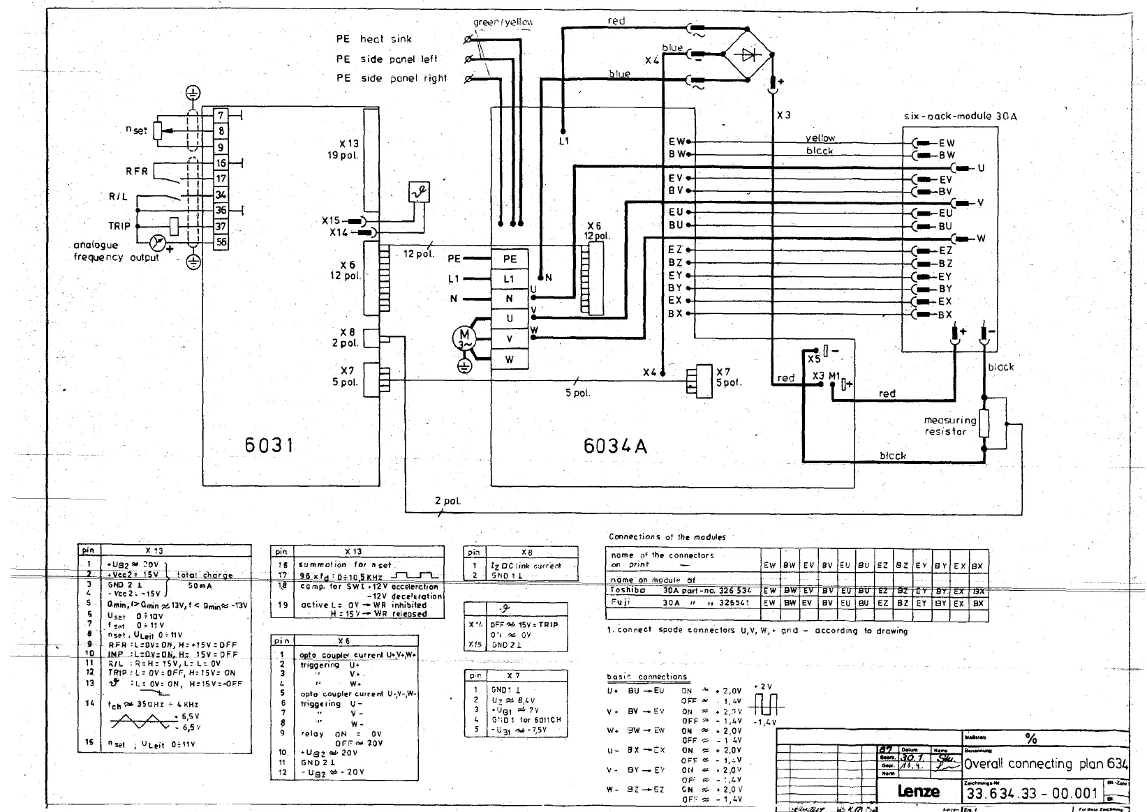
Lenze 633 - Overall Connecting Plan 634; Module Interconnections; Connector Labeling; Basic Connection Configurations

Lenze 633
38 pages
Print Icon
To Next Page IconTo Next Page
To Next Page IconTo Next Page
To Previous Page IconTo Previous Page
To Previous Page IconTo Previous Page
Loading...

Related product manuals