EasyManua.ls Logo

Lenze 9350 Series - Page 43

Lenze 9350 Series
146 pages
Go to English
To Next Page IconTo Next Page
To Next Page IconTo Next Page
To Previous Page IconTo Previous Page
To Previous Page IconTo Previous Page
Loading...
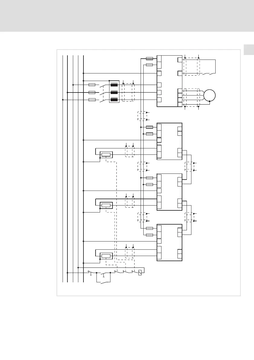
Elektrische Installation
Parallelschaltung
Bremseinheiten mit Bremswiderstand
6
43
EDBMB935X DE/EN/FR 11.0
Master
F6F4
F5
F7
Z11
RB1
RB2
Z12
E1
9352
Z1
E2 A1 A2
PE
+UG
-UG
F8 F9
Z1x
L1
L2
L3
9321 - 9333
Z6
U
V
W
PE
K1
RFR
28
A1
"
"
PE
F10
F11
-UG
+UG
"
"
"
"
"
"
"
"
"
"
"
"
"
"
"
"
"
"
L3
N
PE
L1
L2
K1
F1...F3
Z3
M
3~
PE
"
"
OFF
K1
K1
ON
JRB1
JRB2
JRBx
Slave 1
RB1
RB2
E1
9352
Z2
E2 A1 A2
PE
+UG
-UG
Slave X
RB1
RB2
E1
9352
Zx
E2 A1 A2
PE
+UG
-UG
9350br_010
Abb. 10 Parallelschaltung von Bremschoppern 9352

Table of Contents

Related product manuals