EasyManua.ls Logo

LEO APm37 - Electrical Connection and Motor Rotation; Electrical Connection Safety; Voltage and Cable Specifications; Motor Rotation Check

LEO APm37
14 pages
Print Icon
To Next Page IconTo Next Page
To Next Page IconTo Next Page
To Previous Page IconTo Previous Page
To Previous Page IconTo Previous Page
Loading...
Acquaer Ltd. H-4900, Fehérgyarmat, Szatmári út 11.
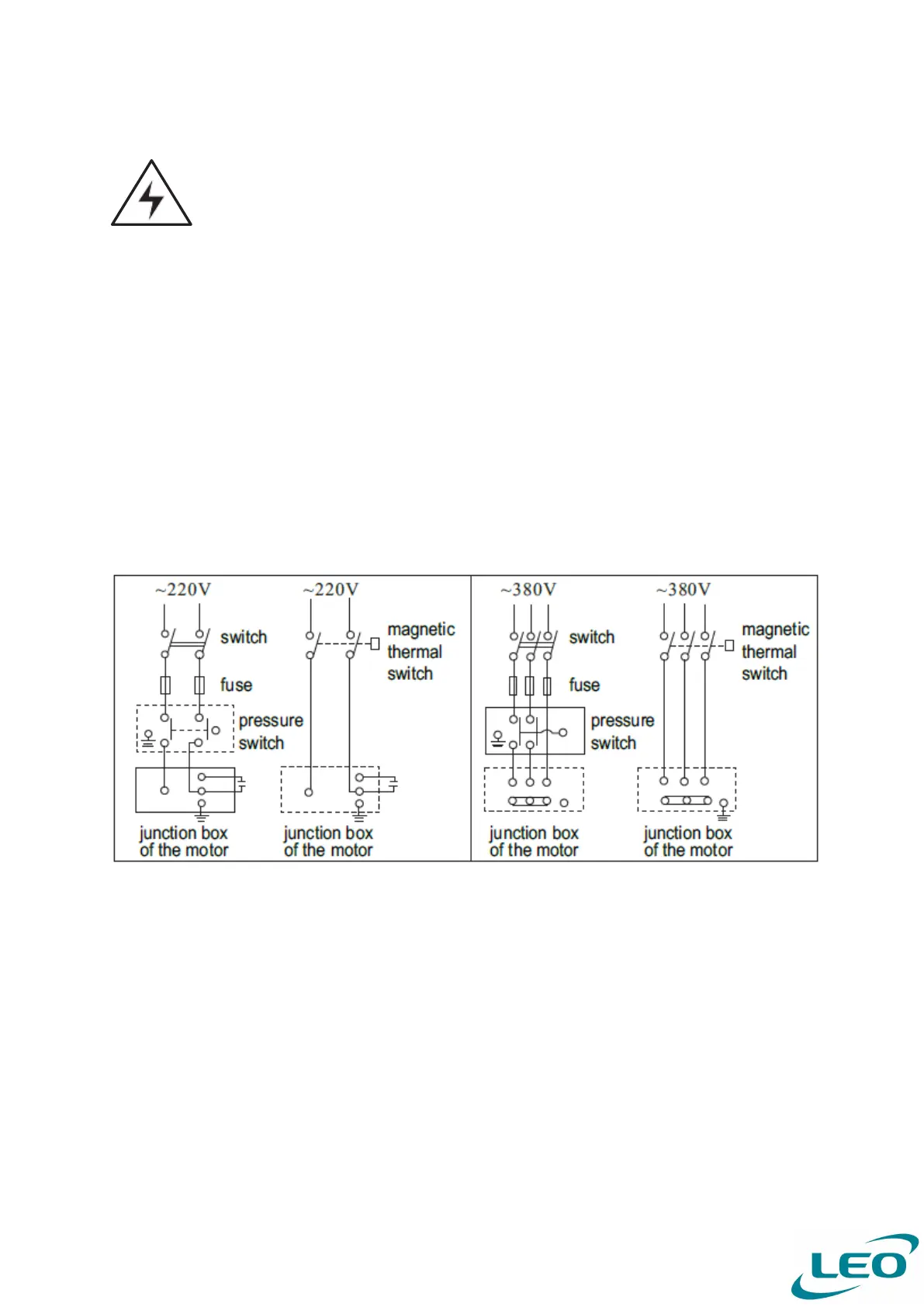
Electrical Connection
Unless the power is off, do not wiring the junction box.
The electric pump should have reliable grounding to prevent current
leakage with leakage protection switch being equipped.
Electrical connection and protection should be conducted according to stipulations.
Specification of working voltage is marked on the nameplate; please ensure the
motor is in accordance with power supply.
In case the working area of the electric pump is too far from the power supply, power
transmission lines should be of a heavier gauge, otherwise the electric pump cannot
work normally because the voltage drop is too dramatic.
A rubber extension cable shall be applied for the electric pump in case of outdoor
use.
Check rotation of the motor (three-phase motor).
Check whether operation of the electric pump is normal, rotation is correct, which
could be observed from the fan blade terminal, e.g. clockwise rotation means
correct direction. In case the rotation is incorrect, cut off power and exchange the
two power cables.

Related product manuals