EasyManua.ls Logo

Leviton 2653 - Limited Warranty Information

Leviton 2653
3 pages
Print Icon
To Next Page IconTo Next Page
To Next Page IconTo Next Page
To Previous Page IconTo Previous Page
To Previous Page IconTo Previous Page
Loading...
POLIZA DE GARANTIA: LEVITON S. de R.L. de C. V., LAGO TANA
NO. 43 COL. HUICHAPAN, DEL. M. HIDALGO MÉXICO D. F., MÉXICO.
CP 11290 Tel (55) 5082-1040. Garantiza este producto por el término de
un año en todas sus partes y mano de obra contra cualquier defecto de
fabricación y funcionamiento a partir de la fecha de entrega o instalación
del producto bajo las siguientes CONDICIONES:
1. Para hacer efectiva esta garantía, no podrán exigirse mayores
requisitos que la presentación de esta póliza junto con el producto en
el lugar donde fue adquirido en cualquiera de los centros de servicio
que se indican a continuación.
2. La empresa se compromete a reemplazar o cambiar el producto
defectuoso sin ningún cargo para el consumidor, los gastos de
transportación que se deriven de su cumplimiento serán cubiertos por:
LEVITON, S. de R.L. de C.V.
3. El tiempo de reemplazo en ningún caso será mayor a 30 días
contados a partir de la recepción del producto en cualquiera de los
sitios en donde pueda hacerse efectiva la garantía.
4. Cuando se requiera hacer efectiva la garantía mediante el reemplazo
del producto, esto se podrá llevar a cabo en: LEVITON, S. de R.L. de
C.V.
5. Esta garantía no es válida en los siguientes casos: A) Cuando el
producto ha sido utilizado en condiciones distintas a las normales. B)
Cuando el producto no ha sido operado de acuerdo con el instructivo
de uso en idioma español proporcionado. C) Cuando el producto ha
sido alterado o reparado por personas no autorizadas por LEVITON,
S. de R.L. de C.V.
6. El consumidor podrá solicitar que se haga efectiva la garantía ante la
propia casa comercial donde adquirió el producto.
7. En caso de que la presente garantía se extraviara el consumidor
puede recurrir a su proveedor para que se le expida otra póliza
de garantía previa presentación de la nota de compra o factura
respectiva.
DATOS DEL USUARIO
NOMBRE: DIRECCION:
COL: C.P.
CIUDAD:
ESTADO:
TELEFONO:
DATOS DE LA TIENDA O VENDEDOR
RAZON SOCIAL: PRODUCTO:
MARCA: MODELO:
NO DE SERIE:
NO. DEL DISTRIBUIDOR:
DIRECCION:
COL: C.P.
CIUDAD:
ESTADO:
TELEFONO:
FECHA DE VENTA:
FECHA DE ENTREGA O INSTALACION:
DI-000-02653-20A
EXCLUSIONS ET GARANTIE LIMITÉE DE 2 ANS
Leviton garantit au premier acheteur, et uniquement au crédit du dit acheteur,
que ce produit ne présente ni défauts de fabrication ni défauts de matériaux au
moment de sa vente par Leviton, et n’en présentera pas tant qu’il est utilisé de
façon normale et adéquate, pendant une période de 2 ans suivant la date d’achat.
La seule obligation de Leviton sera de corriger les dits défauts en réparant ou en
remplaçant le produit défectueux si ce dernier est retourné port payé, accompagné
d’une preuve de la date d’achat, avant la fin de la dite période de 2 ans, à la
Manufacture Leviton du Canada Limitée, au soin du service de l’Assurance
Qualité, 165 boul. Hymus, Pointe-Claire, (Québec), Canada H9R 1E9. Par cette
garantie, Leviton exclut et décline toute responsabilité envers les frais de main
d’oeuvre encourus pour retirer et réinstaller le produit. Cette garantie sera nulle
et non avenue si le produit est installé incorrectement ou dans un environnement
inadéquat, s’il a été surchargé, incorrectement utilisé, ouvert, employé de façon
abusive ou modifié de quelle que manière que ce soit, ou s’il n’a été utilisé ni
dans des conditions normales ni conformément aux directives ou étiquettes qui
l’accompagnent. Aucune autre garantie, explicite ou implicite, y compris
celle de qualité marchande et de conformité au besoin, n’est donnée, mais
si une garantie implicite est requise en vertu de lois applicables, la dite garantie
implicite, y compris la garantie de qualité marchande et de conformité au besoin,
est limitée à une durée de 2 ans. Leviton décline toute responsabilité envers les
dommages indirects, particuliers ou consécutifs, incluant, sans restriction,
la perte d’usage d’équipement, la perte de ventes ou les manques à gagner,
et tout dommage-intérêt découlant du délai ou du défaut de l’exécution des
obligations de cette garantie. Seuls les recours stipulés dans les présentes, qu’ils
soient d’ordre contractuel, délictuel ou autre, sont offerts en vertu de cette garantie.
Ligne d’Assistance Technique :
1 800 405-5320 (Canada seulement)
www.leviton.com
GARANTIA LEVITON POR DOS AÑOS LIMITADA
Leviton garantiza al consumidor original de sus productos y no para beneficio de
nadie más que este producto en el momento de su venta por Leviton está libre de
defectos en materiales o fabricación por un período de dos años desde la fecha de
la compra original. La única obligación de Leviton es corregir tales defectos ya sea
con reparación o reemplazo, como opción, si dentro de tal período de dos años el
producto pagado se devuelve, con la prueba de compra fechada y la descripción del
problema a Leviton Manufacturing Co., Inc., Att.: Quality Assurance Department,
59-25 Little Neck Parkway, Little Neck, New York 11362-2591, U.S.A. Esta
garantía excluye y renuncia toda responsabilidad de mano de obra por remover
o reinstalar este producto. Esta garantía es inválida si este producto es instalado
inapropiadamente o en un ambiente inadecuado, sobrecargado, mal usado, abierto,
abusado o alterado en cualquier manera o no es usado bajo condiciones de operación
normal, o no conforme con las etiquetas o instrucciones. No hay otras garantías
implicadas de cualquier otro tipo, incluyendo mercadotecnia y propiedad
para un propósito en particular pero si alguna garantía implicada se requiere por
la jurisdicción pertinente, la duración de cualquiera garantía implicada, incluyendo
mercadotecnia y propiedad para un propósito en particular, es limitada a dos años.
Leviton no es responsable por daños incidentales, indirectos, especiales
o consecuentes, incluyendo sin limitación, daños a, o rdida de uso de,
cualquier equipo, pérdida de ventas o ganancias o retraso o falla para llevar
a cabo la obligación de esta garantía. Los remedios provistos aquí son remedios
exclusivos para esta garantía, ya sea basado en contrato, agravio o de otra manera.
Para Asistencia Técnica llame al:
1-800-824-3005 (Sólo en EE.UU.)
www.leviton.com
NOTA:
ESTE PRODUCTO PUEDE SER USADO CON CABLE DE ALUMINIO, COBRE O REVESTIDO DE
COBRE
.
1. ADVERTENCIA: PARA EVITAR DESCARGA ELÉCTRICA, FUEGO, Ó MUERTE, INTERRUMPA EL
PASO DE ENERGÍA MEDIANTE EL INTERRUPTOR DE CIRCUITO Ó FUSIBLE. ¡ASEGÚRESE DE
QUE EL CIRCUITO NO ESTA ENERGIZADO ANTES DE INICIAR LA INSTALACIÓN!
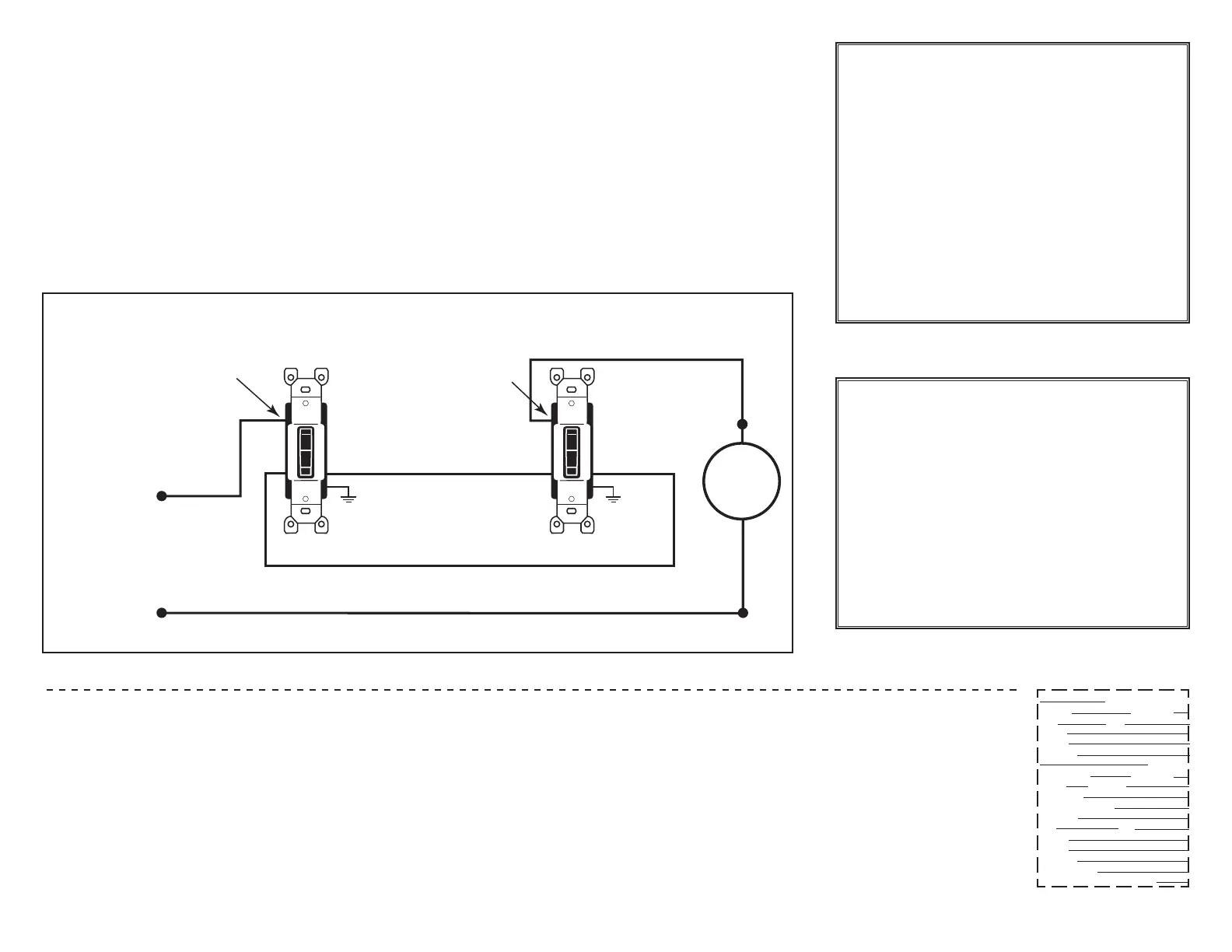
2. Pele aproximadamente de 1.6 a 1.9 cm. el aislante del conductor.
3. Conecte los cables según el Diagram de Cableado: Enrosque los alambres 3/4 de vuelta hacia la
derecha alrededor de los tornillos terminales. Apriete los tornillos sobre el alambre enroscado. Los
tornillos terminales aceptan cable hasta #12 AWG.
4. Monte el producto con los tornillos largos provistos. Ponga la placa mural (no incluida).
5. Restablezca la corriente con el fusible o interruptor de circuito. La instalación está terminada.
SOLO PARA MEXICO
Hot (Black)
Actif (noir)
Fase (Negro)
Neutral (White)
Neutre (blanc)
Neutro (Blanco)
Black
Noir
Negro
Line 120V AC, 60Hz
Ligne 120 V c.a., 60 Hz
Línea 120V CA, 60 Hz
3-Way Switch
Interrupteur à 3 Voies
Interruptor de 3 Vías
3-Way Switch
Interrupteur à 3 Voies
Interruptor de 3 Vías
White
Blanc
Blanco
Common Terminal
Borne commune
Terminal Común
Common Terminal
Borne commune
Terminal Común
Load
Charge
Carga
Ground
Malt
Tierra
Ground
Malt
Tierra

Related product manuals