EasyManua.ls Logo

Lexmark MX810de - Assembly 9: Control Panel (Mx71 X)

Lexmark MX810de
834 pages
Print Icon
To Next Page IconTo Next Page
To Next Page IconTo Next Page
To Previous Page IconTo Previous Page
To Previous Page IconTo Previous Page
Loading...
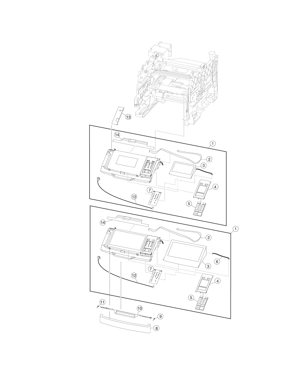
Assembly 9: Control panel (MX71x)
7463
Parts catalog
695

Table of Contents

Other manuals for Lexmark MX810de

Related product manuals