EasyManua.ls Logo

Lexmark X654DE - Drive; Exit; Sensor (Standard bin Full); Main Drive Motor Assembly

Lexmark X654DE
665 pages
Print Icon
To Next Page IconTo Next Page
To Next Page IconTo Next Page
To Previous Page IconTo Previous Page
To Previous Page IconTo Previous Page
Loading...
3-58 Service Manual
7462
Go Back
Previous
Next
Exit
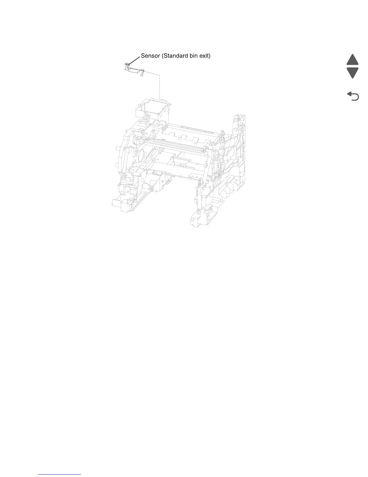
The standard media exit ejects printed media from the printer to the standard bin .
Sensor (standard bin full)
The sensor (standard bin full) detects whether the standard bin is full by moving the actuator up and down.
Drive
Main drive motor assembly
The main drive motor is a DC motor that drives the print cartridge, aligner, MFP and fuser.

Table of Contents

Other manuals for Lexmark X654DE

Related product manuals