EasyManua.ls Logo

LG 22LS4D - Block Diagram

LG 22LS4D
27 pages
Print Icon
To Next Page IconTo Next Page
To Next Page IconTo Next Page
To Previous Page IconTo Previous Page
To Previous Page IconTo Previous Page
Loading...
LGE Internal Use OnlyCopyright © 2007 LG Electronics. Inc. All right reserved.
Only for training and service purposes
- 21 -
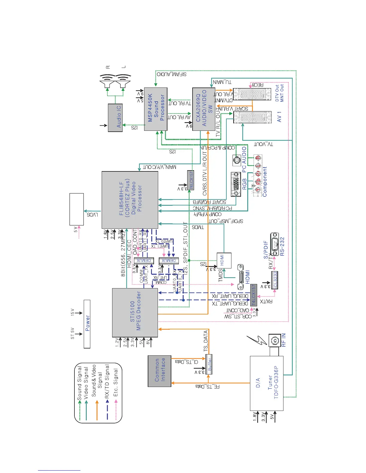
BLOCK DIAGRAM
Synthesis
LVDS 28P
ESD IC
15V
TPA3005

Related product manuals