EasyManua.ls Logo

LG 29MT45V - Page 28

LG 29MT45V
31 pages
Print Icon
To Next Page IconTo Next Page
To Next Page IconTo Next Page
To Previous Page IconTo Previous Page
To Previous Page IconTo Previous Page
Loading...
THERMAL
THE SYMBOL MARK OF THIS SCHEMETIC DIAGRAM INCORPORATES
SPECIAL FEATURES IMPORTANT FOR PROTECTION FROM X-RADIATION.
FIRE AND ELECTRICAL SHOCK HAZARDS, WHEN SERVICING IF IS
ESSENTIAL THAT ONLY MANUFACTURES SPECIFIED PARTS BE USED FOR
THE CRITICAL COMPONENTS IN THE SYMBOL MARK OF THE SCHEMETIC.
2013/05/23
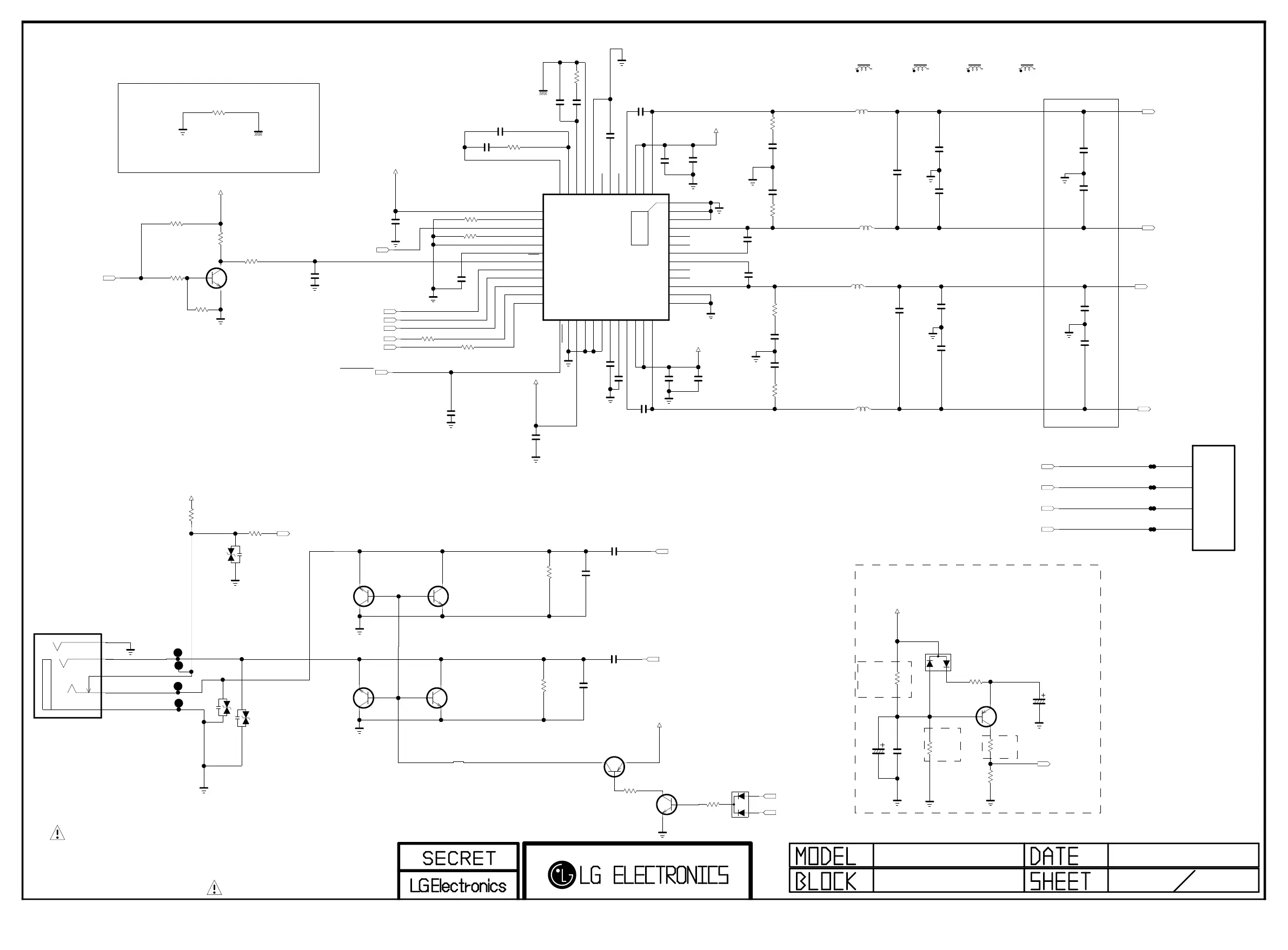
AMP_TAS5733/HP
34
MA55
SPK_L+
SPK_R-
P3401
WAFER-ANGLE
1
2
3
4
SPK_L-
SPK_R+
D3400
MMBD6100
OPT
A2
C
A1
R3400
47K
Head Phone
R3421
12K
OPT
Q3404
MMBT3904(NXP)
OPT
E
B
C
Q3407
MMBT3906(NXP)
OPT
E
B
C
C3406
10uF
10V
Head Phone
Q3405
MMBT3906(NXP)
OPT
E
B
C
SB_MUTE
Q3406
MMBT3904(NXP)
OPT
E
B
C
R3422
12K
OPT
JP3407
Q3403
MMBT3904(NXP)
OPT
E
B
C
+19V
R3412
1K
Head Phone
C3405
10uF
10V
Head Phone
C3428
47uF
25V
105C
OPT
SB_MUTE
R3414
1K
Head Phone
R3415
1K
Head Phone
HP_ROUT
Q3400
MMBT3904(NXP)
OPT
E
B
C
+3.3V_Normal
C3400
1000pF
50V
OPT
VA3402
20V
Head Phone
HP_LOUT
HP_DET
R3419
220K
OPT
JP3406
+3.3V_ST
HP_MUTE
VA3400
20V
Head Phone
JP3400
VA3401
20V
OPT
Q3402
MMBT3904(NXP)
OPT
E
B
C
R3420
470
OPT
JP3405
R3416
3.3K
OPT
R3417
10K
OPT
D3401
KDS226
OPT
A
AC
C
C3402
1000pF
50V
OPT
R3463
18
1/16W
AUD_LRCH
R3459
470
+19V
R3450
10K
OPT
C3462
0.033uF
50V
C3454
0.047uF
25V
AMP_SCL
C3476
0.1uF
50V
C3469
0.033uF
50V
C3450
1000pF
50V
C3483
2200pF
50V
OPT
Q3450
MMBT3904(NXP)
E
B
C
C3480
2200pF
50V
OPT
SPK_R+
C3470
330pF
50V
SPK_L-
C3465
0.1uF
50V
C3451
0.1uF
16V
+3.3V_ST
C3477
0.1uF
50V
AUD_LRCK
C3474
0.47uF
50V
C3475
0.47uF
50V
R3461
18
SPK_L+
C3456
0.1uF
16V
R3453
0
C3459 2200pF
50V
R3452
10K
OPT
IC3450
TAS5733
1
OUT_A
2
PVDD_AB_1
3
PVDD_AB_2
4
BST_A
5
NC_1
6
SSTIMER
7
NC_2
8
PBTL
9
AVSS
10
PLL_FLTM
11
PLL_FLTP
12
VR_ANA
13
AVDD
14
A_SEL_FAULT
15
MCLK
16
OSC_RES
17
DVSSO
18
VR_DIG
19
PDN
20
LRCLK
21
SCLK
22
SDIN
23
SDA
24
SCL
25
RESET
26
STEST
27
DVDD
28
DVSS
29
GND
30
AGND
31
VREG
32
GVDD_OUT
33
BST_D
34
PVDD_CD_1
35
PVDD_CD_2
36
OUT_D
37
PGND_CD_1
38
PGND_CD_2
39
OUT_C
40
NC_3
41
NC_4
42
BST_C
43
BST_B
44
NC_5
45
NC_6
46
OUT_B
47
PGND_AB_1
48
PGND_AB_2
49
[EP]
C3460
0.1uF
16V
C3453
0.1uF
16V
C3482
2200pF
50V
OPT
C3481
2200pF
50V
OPT
R3451
10K
AMP_SDA
C3461
1uF
25V
AMP_MUTE
R3460
18
C3478
0.1uF
50V
C3468
0.033uF
50V
C3452
0.1uF
16V
+19V
C3479
0.1uF
50V
C3463
0.033uF
50V
+3.3V_Normal
C3473
330pF
50V
C3471
330pF
50V
SPK_R-
AMP_RESET
C3455
4700pF
50V
R3455
100
C3464
0.1uF
50V
R3458
470
R3454
10K
+3.3V_Normal
R3462
18
1/16W
C3457
4700pF
50V
C3458
0.047uF
25V
C3472
330pF
50V
AUD_MASTER_CLK
R3456
18K
1%
AUD_SCK
R3457 2K
R3464
0 R3465
0
L3452
COIL_ABCO
10uH
L3451
COIL_ABCO
10uH
L3450
COIL_ABCO
10uH
L3453
COIL_ABCO
10uH
L3452-*1
10.0uH
COIL_GETPLUS
L3450-*1
10.0uH
COIL_GETPLUS
L3451-*1
10.0uH
COIL_GETPLUS
L3453-*1
10.0uH
COIL_GETPLUS
C3466
10uF
25V
C3467
10uF
25V
R3418
47K
OPT
C3410
10uF
25V
OPT
C3429
4.7uF
50V
85C
OPT
JK3400
KJA-PH-1-0177-2
Head Phone
3 M3_DETECT
4 M4
5 M5_GND
1 M1
6 M6
3K:
With SCART MUTE BLOCK
12K:
Without SCART MUTE BLOCK
Apply->OPT
Dip Detection Circuit
MUTE control
11.10.27
Headphone block
Separate DGND AND AVSS
SPEAKER_R
Close to Speaker
This parts are Located
on AVSS area.
AUDIO AMP(TI)
SPEAKER_L
Copyright 2014 LG Electronics. Inc. All right reserved.
Only for training and service purposes
LGE Internal Use Only

Related product manuals