EasyManua.ls Logo

LG 32LK310 - Page 21

LG 32LK310
28 pages
Print Icon
To Next Page IconTo Next Page
To Next Page IconTo Next Page
To Previous Page IconTo Previous Page
To Previous Page IconTo Previous Page
Loading...
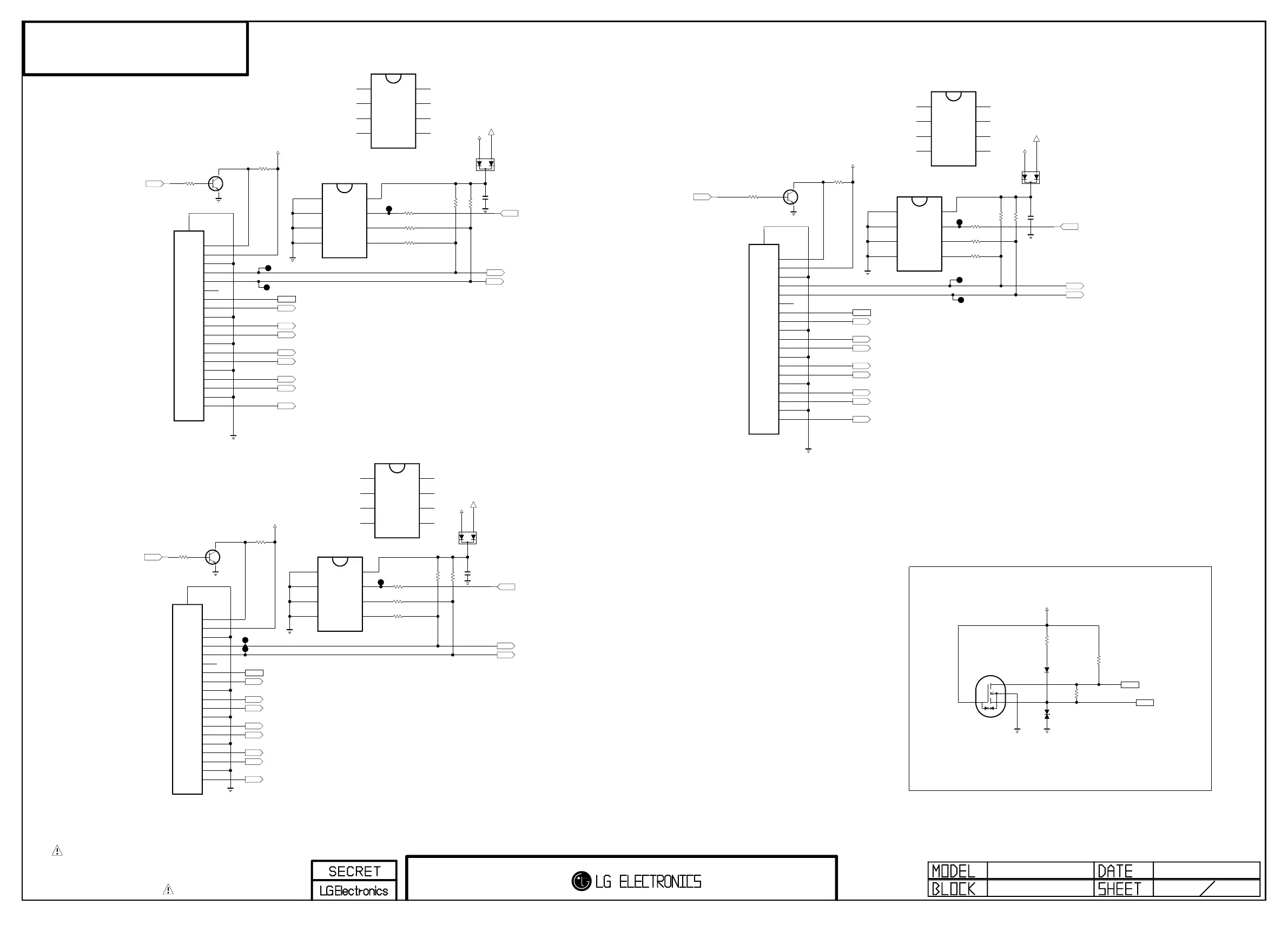
THE SYMBOL MARK OF THIS SCHEMETIC DIAGRAM INCORPORATES
SPECIAL FEATURES IMPORTANT FOR PROTECTION FROM X-RADIATION.
FILRE AND ELECTRICAL SHOCK HAZARDS, WHEN SERVICING IF IS
ESSENTIAL THAT ONLY MANUFATURES SPECFIED PARTS BE USED FOR
THE CRITICAL COMPONENTS IN THE SYMBOL MARK OF THE SCHEMETIC.
+5V_HDMI_2
HPD_MST_2
TMDS2_RX2-
CEC
TMDS2_RXC-
TMDS2_RXC+
TMDS1_RXC-
TMDS2_RX0+
+5V_HDMI_2
HPD_MST_1
CEC
TMDS1_RX2+
TMDS2_RX1+
+5V_MULTI
+5V_HDMI_1
TMDS2_RX0-
TMDS1_RX1-
TMDS2_RX1-
TMDS1_RX2-
+5V_MULTI
+5V_HDMI_1
TMDS1_RX0-
TMDS1_RX1+
TMDS1_RX0+
TMDS2_RX2+
TMDS1_RXC+
DDC_SDA2
DDC_SCL2
DDC_SDA1
DDC_SCL1
JP301
JP300
JP302
JP303
Q301
2SC3875S
RT1C3904-T112
E
B
C
Q300
2SC3875S
RT1C3904-T112
E
B
C
D300
KDS184S
A1
C
A2
D301
KDS184S
A1
C
A2
IC301
CAT24C02WI-GT3
HDMI2_EEPROM_CATAL
3
A2
2
A1
4
VSS
1
A0
5
SDA
6
SCL
7
WP
8
VCC
IC300
CAT24C02WI-GT3
HDMI1_EEPROM_CATAL
3
A2
2
A1
4
VSS
1
A0
5
SDA
6
SCL
7
WP
8
VCC
DDC_WP
DDC_WP
BSS83
Q303
READY
S
B
D
G
CEC
+3.3V_MST
CEC_C
D304
30V READY
CDS3C30GTH
D303
30V
MMBD301LT1G
READY
R301
10K
R303
1K
R300
10K
R302
1K
R315
68K
READY
R313
0
R305 100
R304 100
C301
0.01uF
R331 100
R306 100
R307 100
C302
0.01uF
R327 100
R308
10K
R310
10K
R309
10K
R311
10K
R316
56K
READY
JK302
YKF45-7058V
14
NC
13
CEC
5
DATA1_SHIELD
20
SHIELD
12
CLK-
11
CLK_SHIELD
2
DATA2_SHIELD
19
HPD
18
+5V_POWER
10
CLK+
4
DATA1+
1
DATA2+
17
DDC/CEC_GND
9
DATA0-
8
DATA0_SHIELD
3
DATA2-
16
SDA
7
DATA0+
6
DATA1-
15
SCL
JK301
YKF45-7058V
14
NC
13
CEC
5
DATA1_SHIELD
20
SHIELD
12
CLK-
11
CLK_SHIELD
2
DATA2_SHIELD
19
HPD
18
+5V_POWER
10
CLK+
4
DATA1+
1
DATA2+
17
DDC/CEC_GND
9
DATA0-
8
DATA0_SHIELD
3
DATA2-
16
SDA
7
DATA0+
6
DATA1-
15
SCL
R319
10K
+5V_HDMI_3
+5V_MULTI
TMDS3_RX1-
DDC_SCL3
HPD_MST_3
Q302
2SC3875S
RT1C3904-T112
E
B
C
TMDS3_RX0+
+5V_HDMI_3
R312
10K
DDC_WP
R318
100
TMDS3_RXC+
JK303
KJA-ET-0-0032
14
NC
13
CEC
5
DATA1_SHIELD
20
JACK_GND
12
CLK-
11
CLK_SHIELD
2
DATA2_SHIELD
19
HPD
18
+5V_POWER
10
CLK+
4
DATA1+
1
DATA2+
17
DDC/CEC_GND
9
DATA0-
8
DATA0_SHIELD
3
DATA2-
16
SDA
7
DATA0+
6
DATA1-
15
SCL
JP305
TMDS3_RXC-
DDC_SDA3
R320
10K
R314
1K
TMDS3_RX1+
CEC
TMDS3_RX2+
R317 100
JP304
C300
0.01uF
25V
TMDS3_RX2-
R329 100
IC302
CAT24C02WI-GT3
HDMI3_EEPROM_CATAL
3
A2
2
A1
4
VSS
1
A0
5
SDA
6
SCL
7
WP
8
VCC
D302
KDS184S
A1
C
A2
TMDS3_RX0-
IC301-*1
R1EX24002ASAS0A
HDMI2_EEPROM_RENESAS
3
A2
2
A1
4
VSS
1
A0
5
SDA
6
SCL
7
WP
8
VCC
IC300-*1
R1EX24002ASAS0A
HDMI1_EEPROM_RENESAS
3
A2
2
A1
4
VSS
1
A0
5
SDA
6
SCL
7
WP
8
VCC
IC302-*1
R1EX24002ASAS0A
HDMI3_EEPROM_RENESAS
3
A2
2
A1
4
VSS
1
A0
5
SDA
6
SCL
7
WP
8
VCC
HDMI
3 9
OPTION
SW_HPD : USE SW HPD (Default)
MST_HPD : USE MST HPD
LP91J
LK310
2010/11/22
EAX64045802
Copyright © 2011 LG Electronics. Inc. All rights reserved.
Only for training and service purposes
LGE Internal Use Only

Other manuals for LG 32LK310

Related product manuals