EasyManua.ls Logo

LG APHWC501D - Refrigerant Flow Diagrams

LG APHWC501D
31 pages
Print Icon
To Next Page IconTo Next Page
To Next Page IconTo Next Page
To Previous Page IconTo Previous Page
To Previous Page IconTo Previous Page
Loading...
Due to our policy of continuous product innovation, some specications may change without notication.
© LG Electronics U.S.A., Inc., Englewood Cliffs, NJ. All rights reserved. “LG ” is a registered trademark of LG Corp.
19
Product Data
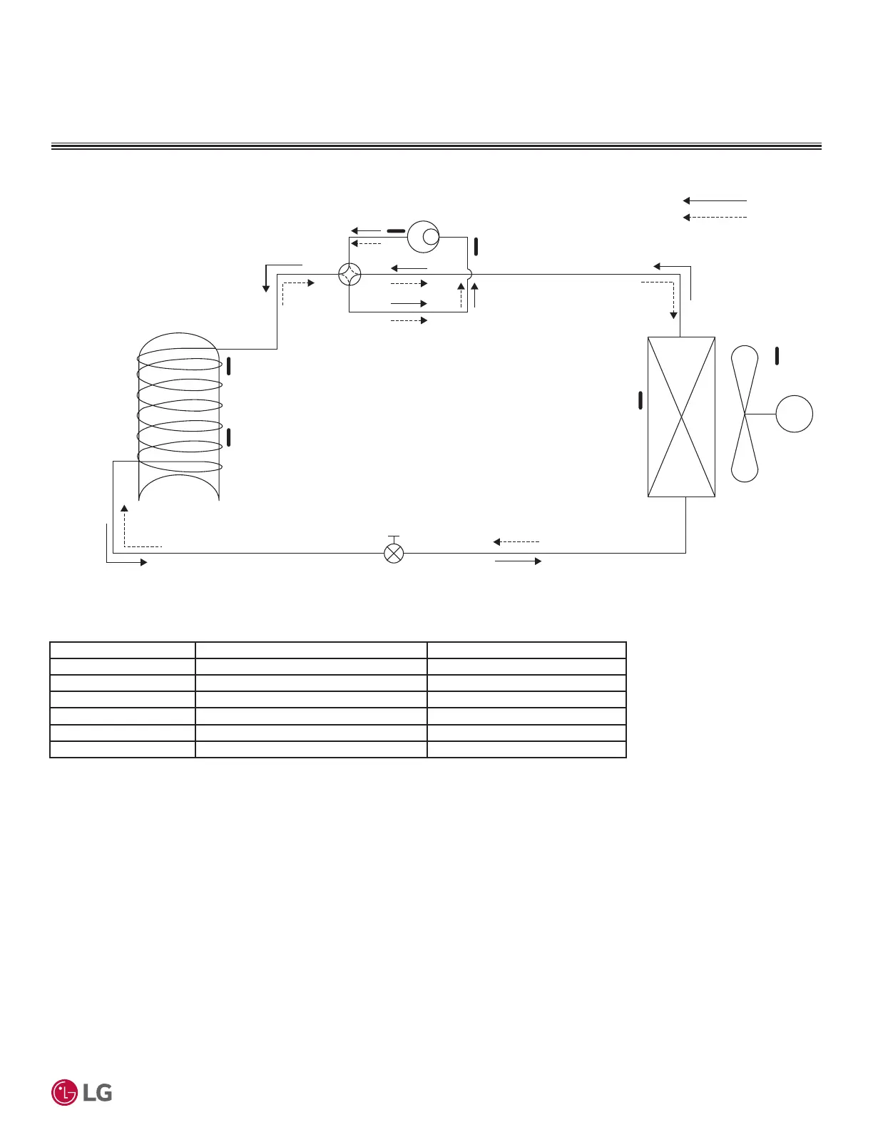
REFRIGERANT FLOW DIAGRAM
Figure 8: APHWC501D, APHWC801D, APHWC501L, APHWC801L Heat Pump Water Heater Refrigerant Flow Diagram.
M
Compressor
Heating
Defrost
Th1
Th4
Th5
Th3
Th2
Th6
Water Tank
Heat
Exchanger
(Condenser)
Heat
Exchanger
(Evaporator)
Electronic Expansion Valve (EEV)
Table 7: Heat Pump Water Heater Thermistors.
Thermistor Description PCB Connector
Th1 Discharge Pipe Temperature Thermistor CN_TH2
Th2 Evaporator Temperature Thermistor CN_TEMP_AIR
Th3 Indoor Air Temperature Thermistor CN_TEMP_AIR
Th4 Suction Pipe Temperature Thermistor CN_TH1
Th5 Upper Water Tank Temperature Thermistor CN_TANK_U
Th6 Lower Water Tank Temperature Thermistor CN_TANK_D

Related product manuals