EasyManua.ls Logo

LG CM9540 - Smps - Power #2 Circuit Diagram

LG CM9540
85 pages
Print Icon
To Next Page IconTo Next Page
To Next Page IconTo Next Page
To Previous Page IconTo Previous Page
To Previous Page IconTo Previous Page
Loading...
3-51 3-52
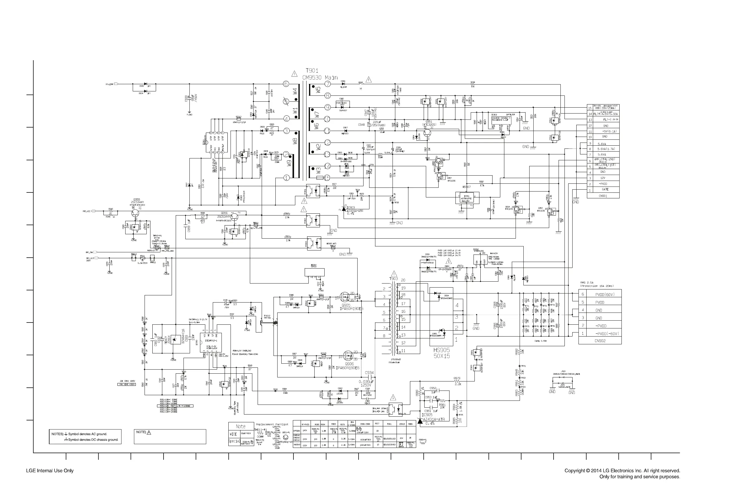
2. SMPS - POWER #2 CIRCUIT DIAGRAM

Table of Contents

Other manuals for LG CM9540

Related product manuals