EasyManua.ls Logo

LG CMS1530F - Main-3 Circuit Diagram

LG CMS1530F
49 pages
Print Icon
To Next Page IconTo Next Page
To Next Page IconTo Next Page
To Previous Page IconTo Previous Page
To Previous Page IconTo Previous Page
Loading...
3-27 3-28
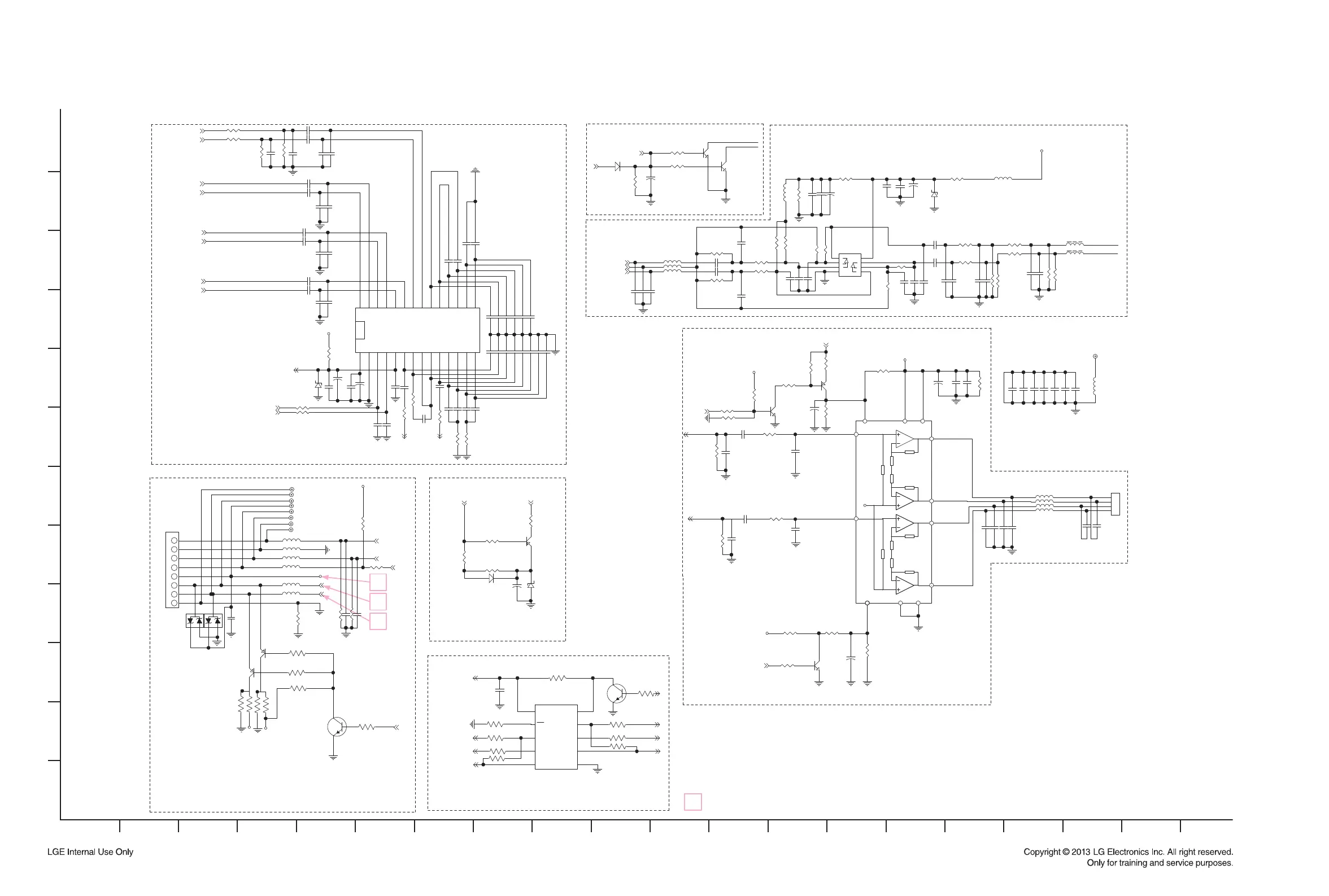
4. MAIN-3 CIRCUIT DIAGRAM
8
10
9
: WAVEFORM NUMBER
A
1
2
3
4
5
6
7
8
9
10
11
12
B C D E F G H I J K L M N O P Q R ST
MAIN-3
2012. 11. 07
2
4
2
2
2
2
2
7286%3&%SPP
480Mbps
$8',2087(
,32'$8',2
ᦹ⭥ಚ丣⎸䲔
,32'86%࠷ᦒ
)81&7,21䖜ᦒ
,32'-$&.
$03:
&
33P
&
33P
L716
1+
&33P
&$ 102
)%
600R
&
33P
C784
33P
5
.
1
23
Q711
KDT1304S
R751 1k
C761 2U2
5
4.7K
R746
100K
&
33P
1
1
2
2
3
3
4
4
63
7263.
C764
2U2
C782
104
5
.
C759
102
&
33P
C77133P
)% 600R
(&
47uF16V
C75668P
5
1K
5 .
C765
33P
&
33P
5
4.7K
&
33P
&
33P
R722
27K
R0603
&
560P
C794 2U2
R758
27KR0603
5
1K
C766
33P
&
33P
&
104
&
100P
L717 56NH
R749 .
&
33P
1
23
Q704
KDT1304S
+
+
-
-
8
VCC
5
5
7
7
6
6
1
1
2
2
3
3
4
GND
IC701
'
5
47K
R734
100K
&
104
5
330R
R752100K
C78833P
&
472
&
33P
5
100K
5
.
&
104
&
1UF
R731
1K
C79233P
C75768P
R757
.
C789
104
C760 2U2
&$
104
1
23
Q706

C783
33P
C774
33P
R744 100K
(&
8)9
&
2U2
5
47K
R748
100K
R753
100K
C777
33P
R7205
&
33p
12
D704 IN4148
C727
102P
R735 10K
&33P
C790
33P
&$
102
&33P
&
1UF
5.
1
23
Q705
3904
&
100P
FB701 56NH
&
33P
&
33P
5
22K
&$
102
&$
102
C793 2U2
5
100K
&
1UF
&
104
C762
102
(&
X)9
&
472
&
33P
C787
33P
&
2U2
&100P
C726
102P
&
1UF
&
560P
(&
8)9
5
10K
C763
2U2
(&100UF/16V
&104
&
33p
&
33P
5
10K
C77633P
C79547P
C796
47P
R743 1K
5
4.7K
R736 10K
&
33P
R750 1k
5
330R
5
100K
&
33P
(&8)9
)% 600R
&
1UF
5 NQF
R745 100K
5
4.7K
&100P
&
33P
&
33P
R733
100K
&
33P
&
1UF
&$
101
C75868P
FB700 56NH
5
47K
(&
8)9
&
1UF
R73010K
1
TUL
2
TUR
3
CDL
4
CDR
5
IPL
26
SDA
27
GND
28
FIL
6
IPR
7
BTL/AUXL
8
BTR/AUXR
9
SEL2
10
SEL1
11
VOL1
12
VOL2
13
TC1
14
TC2
15
BCB2
16
BCA2
17
BCA1
18
BCB1
19
ROUT
20
SB2
21
SR
22
SB1
23
LOUT
24
VCC
25
SCL
,&
BD3490FV
R732
1K
5
47K
5
100K
&
33P
5.
R747
.QF
&
1UF
&
472
45671238
1
3
2
4
5
6
7
8
&21
)%
5
)%
5
(&
8)9
12
'
IN4148
='
9
3
1
2
4
8550
5
.
5
.
5
.
(&
8)9
5
5
&$
102
&$
102
&
8)
&
8)
='
9.1V
)% 5+
)% 5+
)% 5+
)% 5+
5
5
='
9.1V
1
2
3
4
6
7
8
9
12
13
14
15
,&
TDA7266SA
5$.
)%
5+
)%
5+
)%
5+
)%
5+
&$
103
&$
103
&$
103
&$
103
&$
103
&$
103
&$
25
86%*1'
'0
'3
86%9
3257'(7
3257B/
3257*1'
3257B5
)%
5+
&S
5 .
&
104P
5
4K7
5
10R
5
10R
5
5
5
5
5
10K
3
1
2
4
3904
1
S
2
HSD1+
3
HSD2+
4
D+
5
GND
6
D-
7
HSD2-
8
HSD1-
9
OE
10
VCC
,&
FSUSB30
5 N
5
.
5
.
5
.
5
.
5
.
R0603
5
.
R0603
5
.
5
N
3
1
2
4
8550
5 .
5
.
5
5
5
5
2
1
3
'
KDS226
2
1
3
'
KDS226
FM_ANT1
5
5
R0603
5 .
5 .
5
.
3
1
2
4
3904
3
1
2
4
8550
3
1
2
4
8550
5 .
$9
$9
PVDD
PVDD
+9V
087(
AMUTE
IPOD-ROUT
IPOD-AGND
IPOD-LOUT
3490_SDA
3490_SCL
AUX_R
AUX_L
IPHONE_R
IPHONE_L
CD-R
CD-L
FM-L
FM-R
MUTE
$8;B/
$8;B5
PORT-DET
AMP-STBY
ROUT
LOUT
,3+21(B/
,3+21(B5
USB+5V
'3B86%
'0B86%
+5.2V
MUTE
FL+
FL-
FR+
FR-
9
IP/USB_CT
DP_IPOD
DP_USB
86%9
DM_IPOD
'0
DM_USB
'3
USB+5V
USB+5V
ROUT
ROUT
LOUT
LOUT
9&&0&8
+5.2V
IPOD_GND
CHANGE_SET

Other manuals for LG CMS1530F

Related product manuals