EasyManua.ls Logo

LG DA-3520 - Micro-Computer (-COM) Block Diagram

LG DA-3520
56 pages
Print Icon
To Next Page IconTo Next Page
To Next Page IconTo Next Page
To Previous Page IconTo Previous Page
To Previous Page IconTo Previous Page
Loading...
- 3-10 -
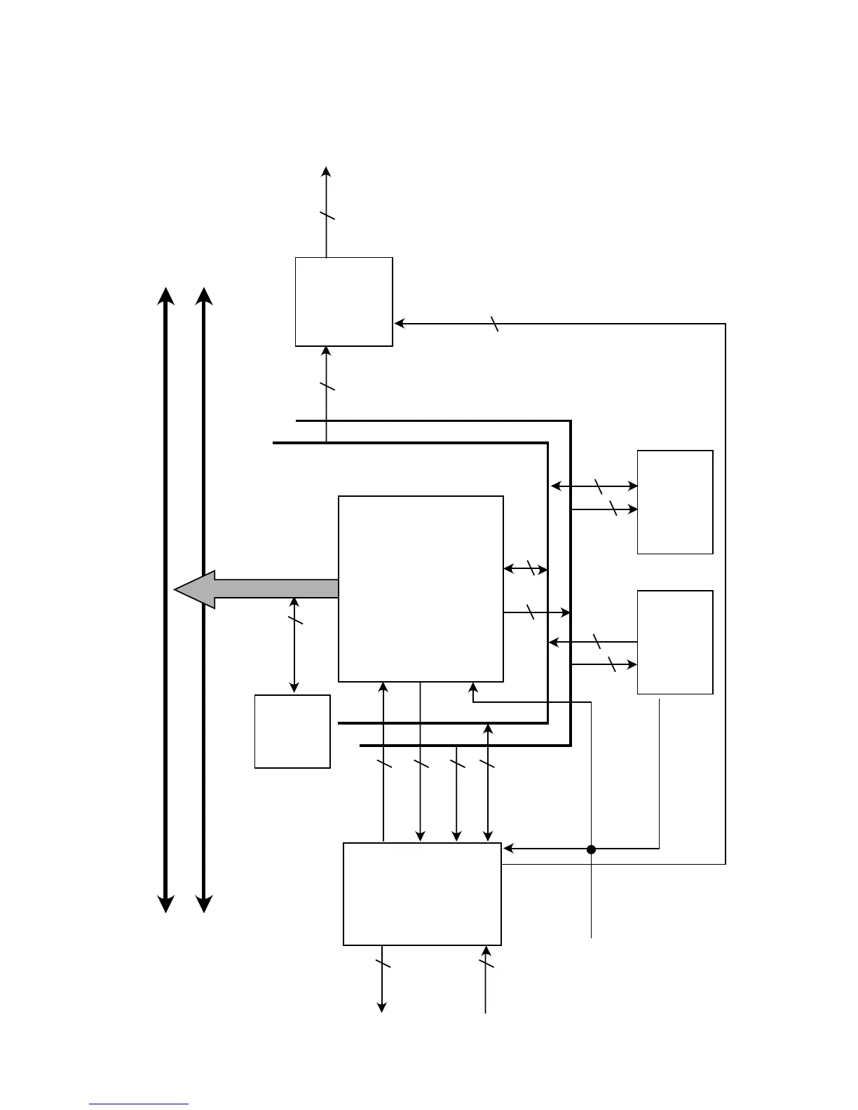
3. µ-COM Block Diagram
AV JACK
I/F
IC506
XC9536
IC502
FLASH
ROM
FRONT
I/F
IC503
DRAM
IC505
74HC374
IC501
SH6417034
MPEG
I/F
SERVO
I/F
DSP
I/F
IC504
EEPROM
2402/2416
16:9,SYSTEM_SW
LD_ON,LOAD CLOSE,MIRR,ACT_MUTE
LOAD_OPEN,SPINDLE_FG,SLD_FG,
D[00:07],A[00:02],IIC_CLK,IIC_DATA,SCLK0, MPEG_RST
,MPEG_INT,V_MUTE,A_MUTE,DAC_RST,Y_SEL
MPEG_ERROR
,DAC_L0
,RF_LAT
,/DSP_CS
,/MPEG_CS
,/PP_CS 16:,
,Y_SEL
,,MPEG_RST
PWR_CTL
,SENS,LIMIT_SW
,MIC_ON,CLOSE_SW
,OPEN_SW,MPEG_W
AIT
,16:9,,MPEG_RST
,M_RESET
M_RESET
,RXD0
,TXD0
,SCK0
,F_REQ
,MODE_SW
,M_REQ,
,ECHO
IIC_CLK
,IIC_DATA
SENS_MCOM
, MICOM_WAIT
/IOCS1,/WR
D[00:04]
A[19:21]
A[01:19]
D[00:15]
A[01:09]
D[00:15]
A[01:21]21 D[00:15]
D[00:07]
DAC_RST
,E_DR
,/S_XRST
,XLAT
,ACT_MUTE
,LOAD_OPEN
,LOAD CLOSE
,/PWR_RST
EXP_W2
,/PWR_CTL
2
2
2
8
10
2
2
2
19
16
9
16
16
8
8
21
D[00:07],A[00:05], ,E_SIN,E_CLK
LOAD_FR,F/R,LOCK,DEFECT,FOK
DSP_SENSE,

Related product manuals