EasyManua.ls Logo

LG F14A8RDS Series - Page 20

LG F14A8RDS Series
66 pages
Print Icon
To Next Page IconTo Next Page
To Next Page IconTo Next Page
To Previous Page IconTo Previous Page
To Previous Page IconTo Previous Page
Loading...
20
n
0
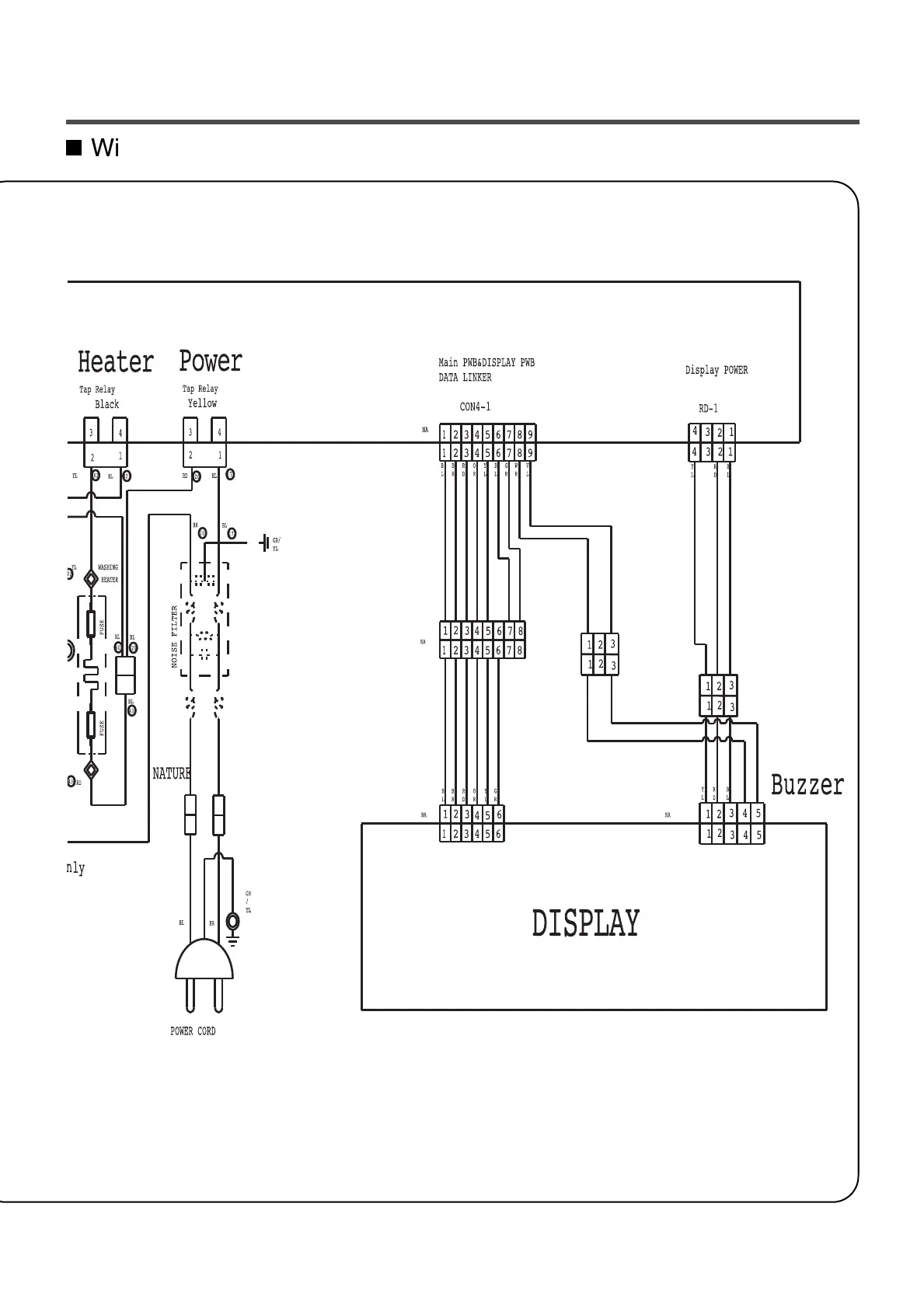
Wiring Diagram 3/3

Related product manuals