EasyManua.ls Logo

LG FLATRON M208WA-BZH.A**QLP Series - Technical Diagrams and Components; Block Diagram Overview

LG FLATRON M208WA-BZH.A**QLP Series
52 pages
Print Icon
To Next Page IconTo Next Page
To Next Page IconTo Next Page
To Previous Page IconTo Previous Page
To Previous Page IconTo Previous Page
Loading...
- 14 -
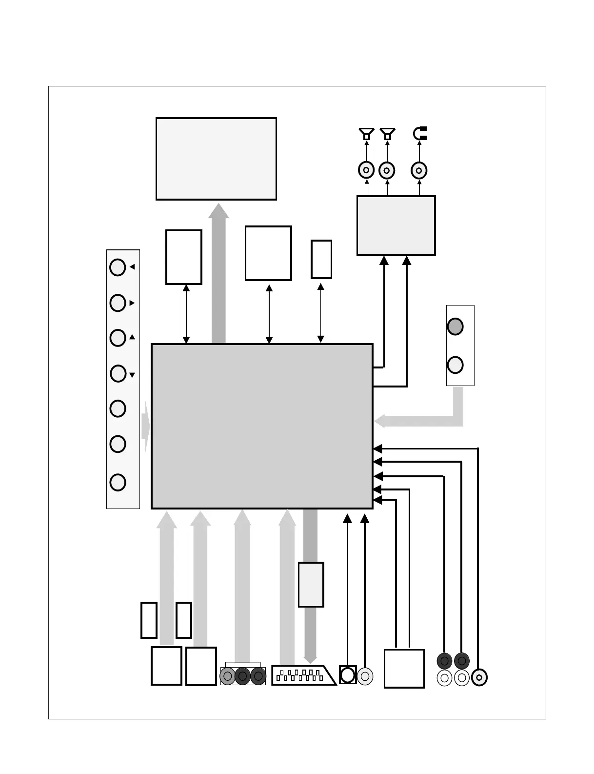
DVI-D
CVBS
SP (R)
SP (L)
Audio
Amp
(YDA138)
LCD
Module
(CMO)
16Mb
SDRAM
(HY57V161610FTP)
EEPROM
System(64k)
Y/C
Data
(FSD 0 ..31)
(FSA 0 ..11)
Y/Pb/Pr
4Mb
Serial
Flash
Memory
(MX25L4005A)
Data
(OCMD 0 ..7)
(OCMA 0 ..19)
Analog Signal (R/G/B/H/V)
TMDS Signal
COMP
PC Audio
COMP Audio
CVBS Audio
EEPROM
D-SUB
EEPROM
Tuner
TAFT-W003D
CVBS
SIF
L
R
LVDS Signal
L/R
Scaler+Video
Decorder
(LGE9789AD-LF)
R/G/B/CVBS/Audio
SCART
CVBS/Audio
L/R
L/R
CS4351
(DAC)
INPUT MENU OK VOL PR
POWER IR
EAGLE EYE
BLOCK DIAGRAM

Related product manuals