EasyManua.ls Logo

LG GC-L207 - Page 43

LG GC-L207
145 pages
To Next Page IconTo Next Page
To Next Page IconTo Next Page
To Previous Page IconTo Previous Page
To Previous Page IconTo Previous Page
Loading...
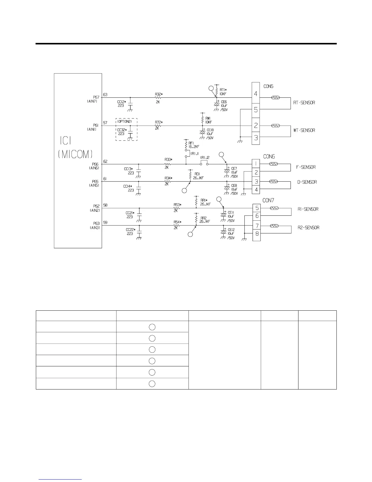
The above circuits are circuits attached to freezing room sensor or cold storage room sensor for adjusting setting
temperature at the freezing room and cold storage room, ice-making sensor for sensing water temperature in ice-making, or
an evaporator for sensing temperature of a frost removal sensor necessary for frost removal. Short or open status of every
temperature sensor is as follows:
SENSOR CHECK POINT
NORMAL(-30 °C ~ 50 °C) IN
SHORT IN OPEN
Freezing sensor POINT A Voltage
Frost removal sensor POINT B Voltage
Cold storage sensor 1 POINT C Voltage
0.5 V~4.5 V 0 V 5 V
Cold storage sensor 2 POINT D Voltage
Ice making sensor POINT E Voltage
Room temperature sensor POINT F Voltage
<GC-P/L207: Dot-LED>
F
A
C
B
D
EXPLATION FOR MICOM CIRCUIT
- 43 -

Table of Contents

Related product manuals