EasyManua.ls Logo

LG GC-L207 - Temperature Sensing Circuit

LG GC-L207
145 pages
To Next Page IconTo Next Page
To Next Page IconTo Next Page
To Previous Page IconTo Previous Page
To Previous Page IconTo Previous Page
Loading...
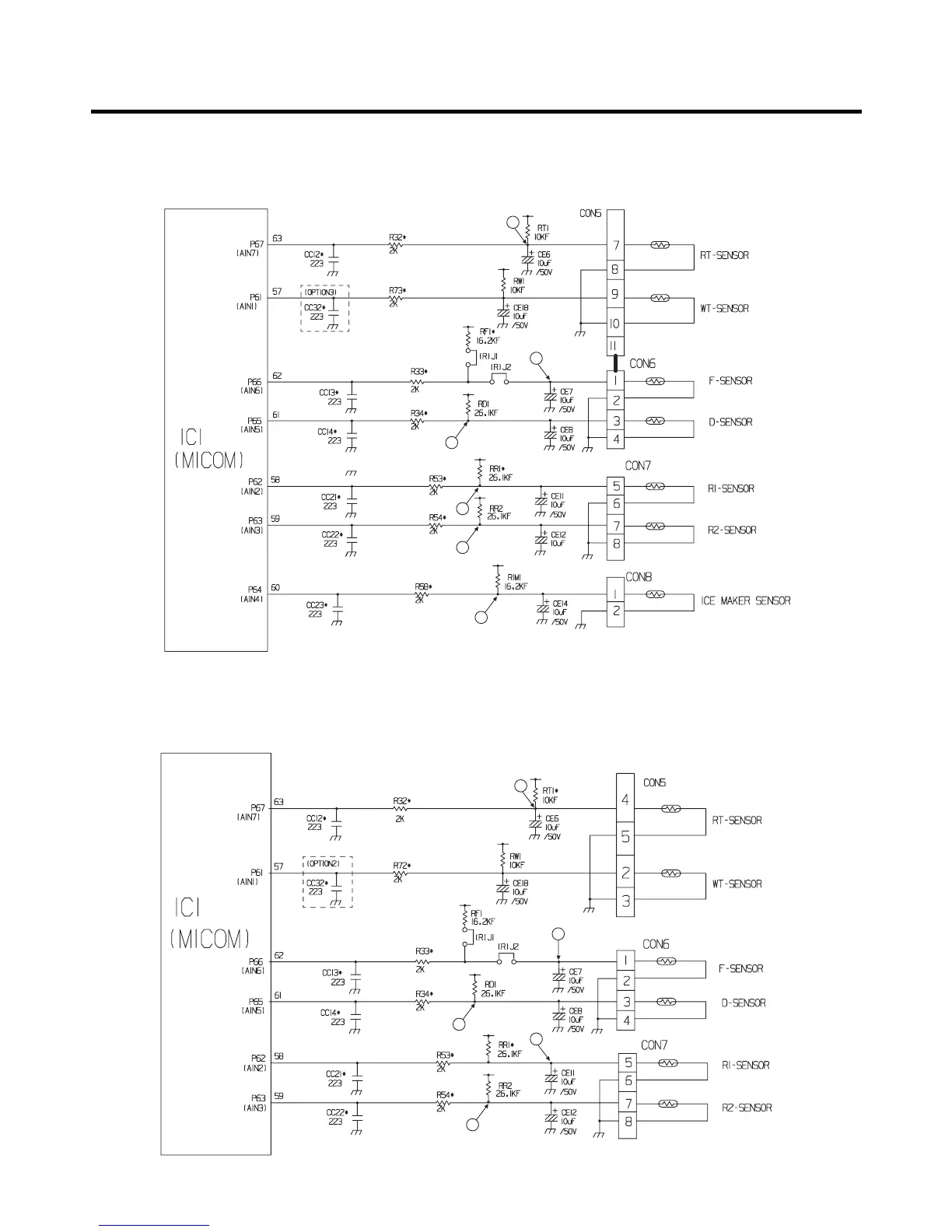
1-5. Temperature sensing circuit
EXPLATION FOR MICOM CIRCUIT
- 42 -
<GC-P/L207: 88-LED>
<GC-P/L207: Bar-LED>
F
A
B
C
D
E
F
C
A
B
D

Table of Contents

Related product manuals