EasyManua.ls Logo

LG LC098HV4 - Page 32

LG LC098HV4
84 pages
To Next Page IconTo Next Page
To Next Page IconTo Next Page
To Previous Page IconTo Previous Page
To Previous Page IconTo Previous Page
Loading...
32
Four-Way Ceiling Cassette System Engineering Manual
Due to our policy of continuous product innovation, some specications may change without notication.
© LG Electronics U.S.A., Inc., Englewood Cliffs, NJ. All rights reserved. “LG” is a registered trademark of LG Corp.
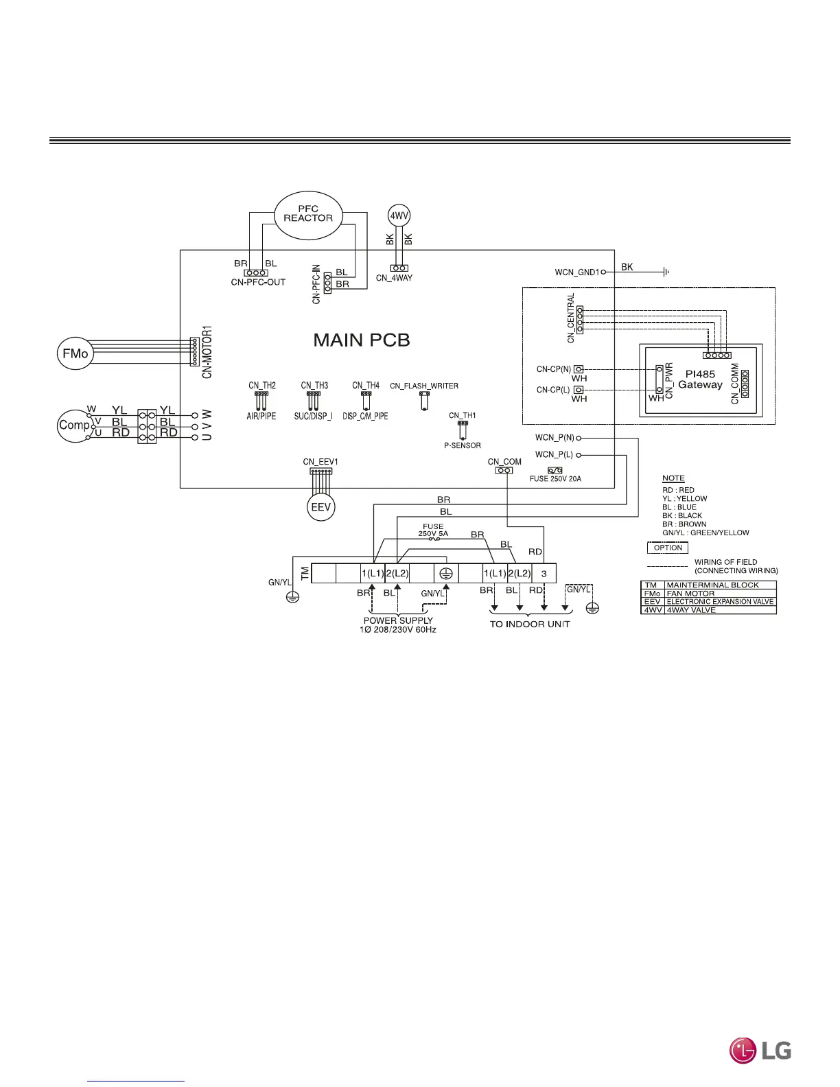
OUTDOOR UNIT WIRING DIAGRAM
Figure 26: Four-Way Ceiling Cassette LUU187HV and LUU247HV Outdoor Unit Wiring Diagram.
LUU187HV and LUU247HV

Related product manuals