EasyManua.ls Logo

LG LC098HV4 - Refrigerant Flow Diagrams

LG LC098HV4
84 pages
Print Icon
To Next Page IconTo Next Page
To Next Page IconTo Next Page
To Previous Page IconTo Previous Page
To Previous Page IconTo Previous Page
Loading...
27
Product Data
Due to our policy of continuous product innovation, some specications may change without notication.
© LG Electronics U.S.A., Inc., Englewood Cliffs, NJ. All rights reserved. “LG” is a registered trademark of LG Corp.
LUU097, 127HV
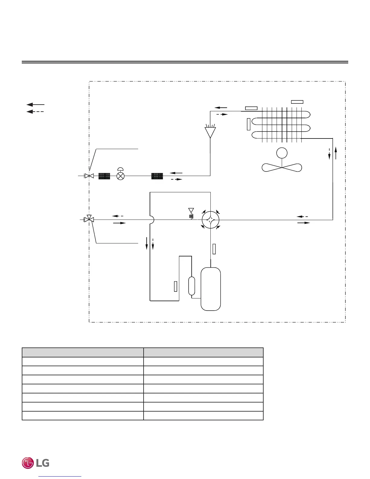
OUTDOOR UNIT REFRIGERANT FLOW DIAGRAM
Figure 20: LUU097, 127HV Refrigerant Flow Diagram.
Description PCB Connector
Condenser Inlet Temperature Thermistor CN-AIR
Condenser Outlet Temperature Thermistor CN-C_PIPE
Discharge Temperature Thermistor CN-DISCHARGE
Suction Temperature Thermistor CN-SUCTION
Condensing Temperature Thermistor CN-MID
High Pressure Sensor CN-H_PRESSURE
Electronic Expansion Valve CN-EEV_A
Table 7: LUU097-127HV Four-Way Ceiling Concealed Outdoor Unit Thermistor Details.
Refrigerant Flow
Cooling
Heating
M
High
Pressure
Sensor
4 way
Valve
Discharge
Temperature
Thermistor
Suction
Temperature
Thermistor
Inverter
Compressor
Electronic
Expansion
Valve
Strainer Strainer
Condenser Out
Temperature
Thermistor
Inlet Air
Temperature
Thermistor
1/4
Flare Connection
3/8
Flare Connection
Condensing
Temperature
Thermistor

Related product manuals