EasyManua.ls Logo

LG LDF7932 - Wiring Diagram

LG LDF7932
43 pages
Print Icon
To Next Page IconTo Next Page
To Next Page IconTo Next Page
To Previous Page IconTo Previous Page
To Previous Page IconTo Previous Page
Loading...
- 6 -
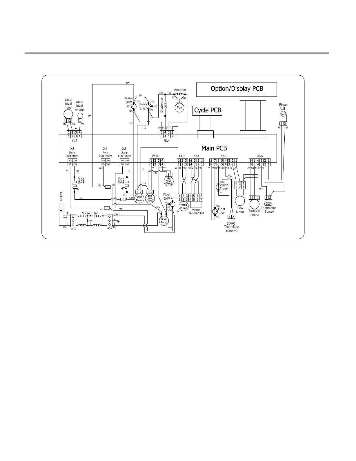
7932 series
3. WIRING DIAGRAM

Other manuals for LG LDF7932

Related product manuals