EasyManua.ls Logo

LG lg-d821 - Page 210

LG lg-d821
281 pages
Print Icon
To Next Page IconTo Next Page
To Next Page IconTo Next Page
To Previous Page IconTo Previous Page
To Previous Page IconTo Previous Page
Loading...
5. BLOCK DIAGRAM
- 210 -
Copyright © 2013 LG Electronics. Inc. All right reserved.
Only for training and service purposes
LGE Internal Use Only
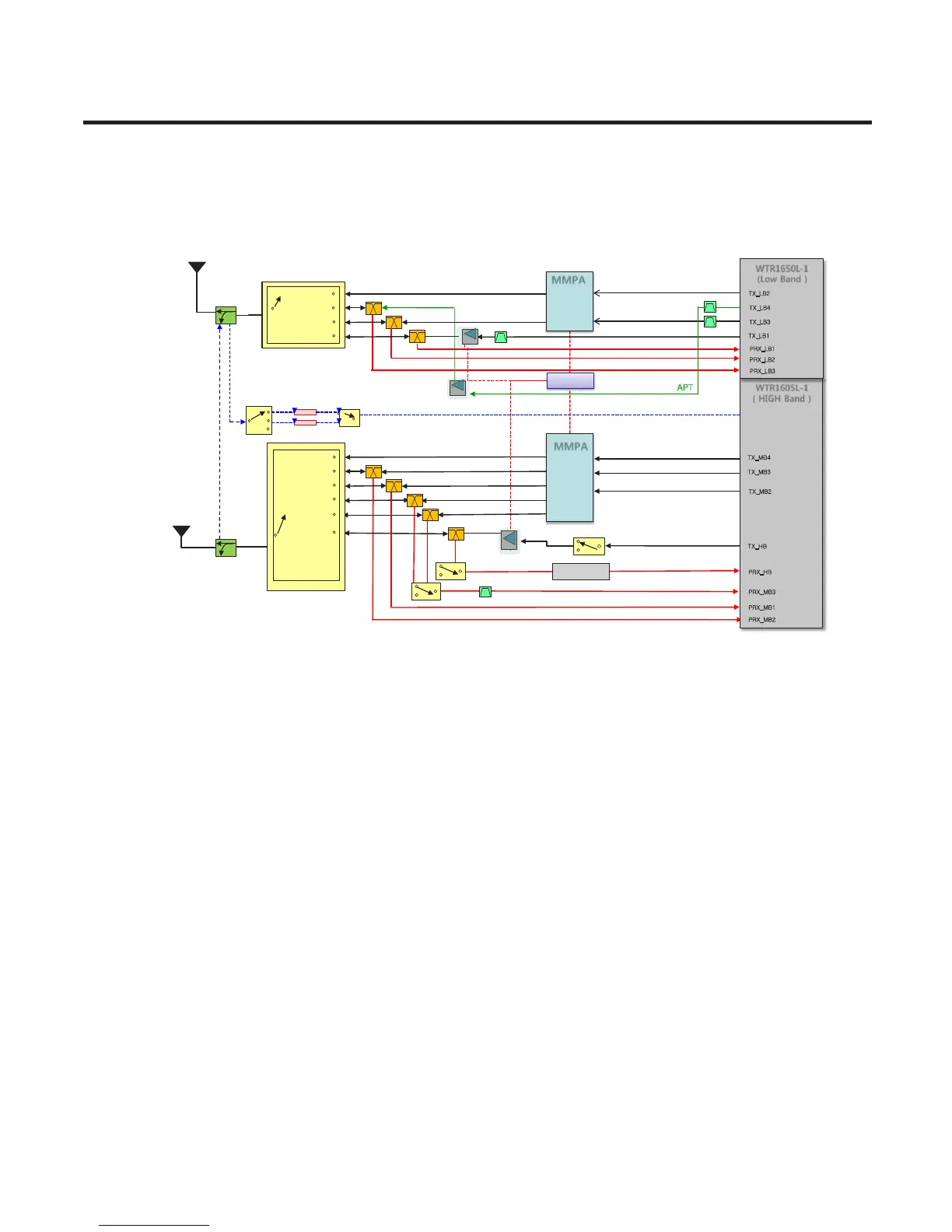
[D821] RF CDMA/Global/LTE
GSM 1800/1900
UMTS B1/2/4
LTE B1/3/7
Ant. 2
TRX_B2
TRX_B3
TRX_B4
TRX_B1
TX_HB
GSM850 / GSM900
TRX_B5
TRX_B8
TX_LB
TRX_B20
GSM_LB
B8
MMPA
B20
B8
B20
B8 / GSM900
B5/B6 / GSM850
QFE1100
GSM 850/900
UMTS B5/6/8
LTE B5/8/20
Ant. 1
MMPA
GSM_HB
B2
B3
B4
B1
TRX_B7
GSM1800 / GSM1900
B1, B2
B3/B4
B7
B7
B1/B4
B3/GSM1800
B2GSM1900
WTR_PDET_IN
-3dB
-9dB
2. D821(SKU2)_RF CDMA/Global/LTE
B41 Balun
LPF
LPF
APT
B5
B2
GSM_HB
B3
B4
B1
GSM_LB
B8
WTR1605L-1
( HIGH Band )
WTR1650L-1
(Low Band )
PDET_IN
T
X_MB2
P
RX_HB
T
X_MB4
T
X_MB3
T
X_LB2
T
X_LB1
T
X_LB4
T
X_LB3
P
RX_LB1
P
RX_LB2
P
RX_LB3
T
X_HB
P
RX_MB3
P
RX_MB1
P
RX_MB2
SPDT
SPDT
SPDT
Saw or DPD Filter
SP3T
SPDT

Related product manuals