EasyManua.ls Logo

LG lg-d821 - Page 84

LG lg-d821
281 pages
Print Icon
To Next Page IconTo Next Page
To Next Page IconTo Next Page
To Previous Page IconTo Previous Page
To Previous Page IconTo Previous Page
Loading...
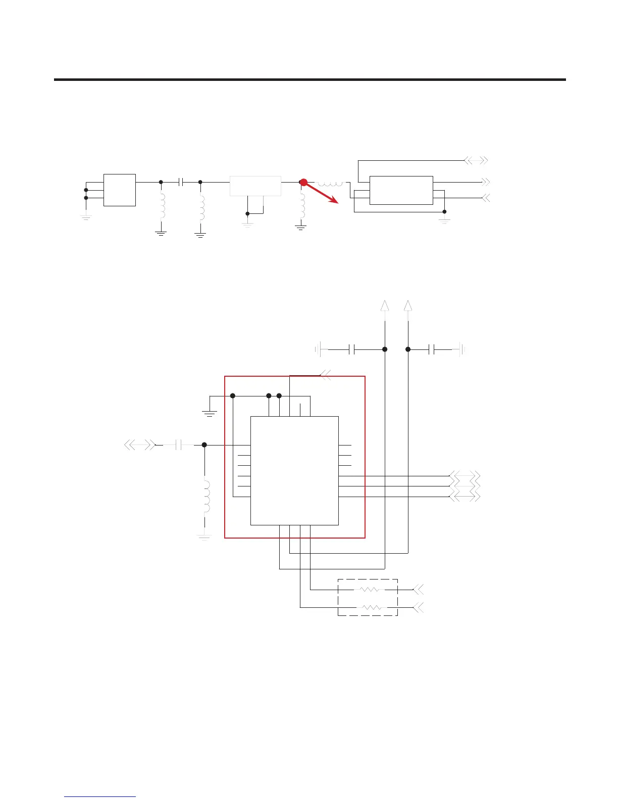
3. TROUBLE SHOOTING
- 84 -
Copyright © 2013 LG Electronics. Inc. All right reserved.
Only for training and service purposes
LGE Internal Use Only
SW1001
20549-001E
EAG63293301
43
2
1
ANT COMMON
G3 G4
LDJ18829M24AD011
FL1000
ECA30240001
IN
1
Termination_Port
4
GND1
2
GND2
5
OUT
3
Coupling
6
100n
L1002
DNIL1071
L1072 DNI
33pC1113
1n
C1001
W_FL2-R-SMT-1_80
SW1000
EAG63412001
G1
G2
ANTG3
TRX_ANT1
CPL_CPL
CPL_PDET_IN
TP1
EAT61914101
U1000
RF1492A
21
207
8
6
9
5
10
4
3
11
2
12
1
19
18
17
16
15
14
13
TRX1
NC2
NC3
NC4
GND2
TXHB
TXLB
ANT
TRX2
NC1
TRX3
TRX6
TRX5
SCLK
TRX4
SDATA
GND1
VIO
VDD GND3
GND4
10pC1023
R1015 0
+1V8_VREG_S3A_RF
+2V95_VREG_L16
L1013
DNI
C1016 33p
R1016
0
100pC1025
GND
RFFE2_DATA
RFFE2_CLK
TRX_ANT1
TRX_B17
TRX_B5_B26
TX_GSM_LB
TRX_B8
4/4_QCT_R-013551
U1000

Related product manuals