EasyManua.ls Logo

LG LG-E960 - Page 130

LG LG-E960
313 pages
Print Icon
To Next Page IconTo Next Page
To Next Page IconTo Next Page
To Previous Page IconTo Previous Page
To Previous Page IconTo Previous Page
Loading...
4. TROUBLE SHOOTING
- 130 -
Copyright © 2012 LG Electronics. Inc. All right reserved.
Only for training and service purposes
LGE Internal Use Only
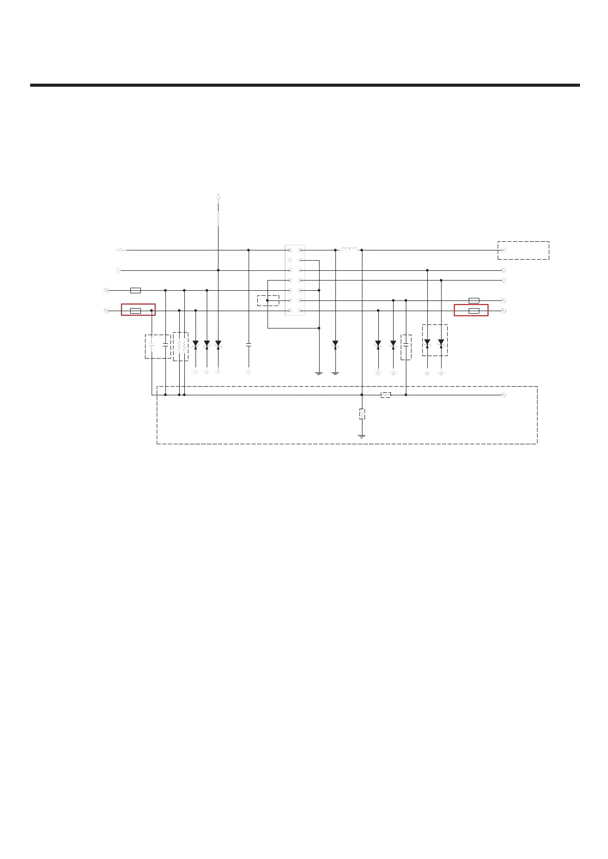
R10015 4.7K
4.7KR10018
R10004 0
ZD10004
VREG_S4_1P8
C10008
2.2u
D10006
33pC10007
ZD10005
100nL10005
D10003
1800 FB10003
R10003 0
C10006 33p
C10009 33p
LS-MTRON
CN10002
GB042-14S-H10-E3000
EAG63013701
87
96
105
114
123
132
141
D10004
D10007
R10001
4.7K
D10005
D10008
1800FB10004
FB100011800
1800FB10002
I2C_SENSOR_SDA
I2C_SENSOR_SCL
VREG_L9_3P0
EAR_SENSE_JACK
EAR_MIC_JACK
EJ_MIC_N
HPH_REF
PROX_AMBIENT_INT_N
HPH_F_AMP_OUT_L
HPH_F_AMP_OUT_R
Rev.D
Rev.B
Rev.B
Rev.B
Rev.C Change
Rev.B
Rev.B
EAR_SENSE
EAR_L

Related product manuals