EasyManua.ls Logo

LG PRDCA0 - Ahu Kit Wiring Configuration with DDC; Configuration Concept

LG PRDCA0
35 pages
Print Icon
To Next Page IconTo Next Page
To Next Page IconTo Next Page
To Previous Page IconTo Previous Page
To Previous Page IconTo Previous Page
Loading...
AHU KIT WIRING CONFIGURATION WITH DDC
23
ENGLISH
AHU KIT WIRING CONFIGURATION WITH DDC
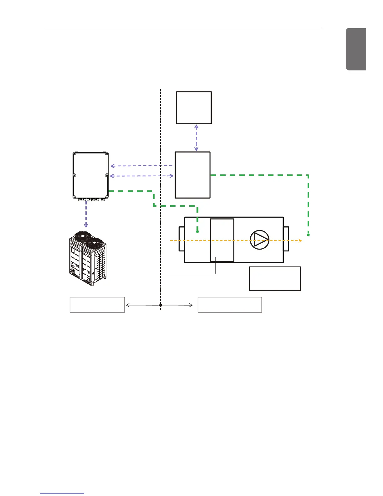
Configuration concept
AHU
Comm. Kit
(Multi V)
BMS
system
0~10V DC
(AI 10-4)
DI/DO
Room
Temp. sensor
Discharge Temp. sensor
( DC 0~10V Output)
0~10V DC
(AI 10-2)
Target
pressure
Modulating
(AHU)
DDC
TdTeTi
Field SupplyLG Supply
Ti : Inlet Temp.
Te : HEX. Temp.
Td : Discharge Temp.
1 Comm. Kit control capacity of the cooling/heating only according to the DDC’s control
signal (DC 0~10V)
2 Control signal from the DDC is decided by calculation logic with Td/Ti and setting tempera-
ture (Calculation logic depends on BMS program).
3 For Installation of Room thermistor, recommended to be installed to the inlet of Heat
Exchanger.

Related product manuals