EasyManua.ls Logo

LG V-net PDRYCB000 - Installation Guide - Step 2; Connecting CN_DRY with Control Unit; Applying Power Source

LG V-net PDRYCB000
15 pages
Print Icon
To Next Page IconTo Next Page
To Next Page IconTo Next Page
To Previous Page IconTo Previous Page
To Previous Page IconTo Previous Page
Loading...
Installation Guide
Installation Manual 13
ENGLISH
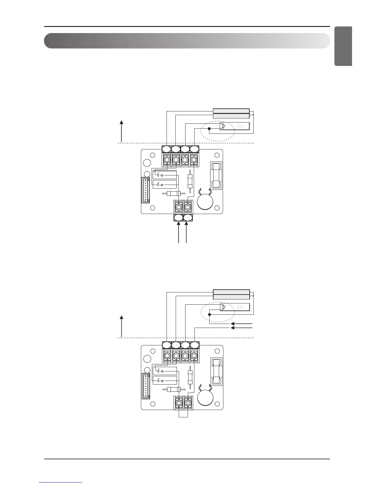
Step 2
Connect CN_DRY with Control Unit .
(Fix SUB PCB into the proper location.)
- To apply power source through PCB
- To apply power source directly to external source
Dry contact
Controller
L
N
INPUT
AC 220V
Operation Display
Error Check Display
CN-CC
AC 220V
LG does not
Supply this section
RLY1
RLY2
4 3 2 1
2 1
Dry contact
Controller
AC 220V
Operation Display
Error Check Display
CN-CC
AC 220V
4 3 2 1
LG does not
Supply this section
RLY1
RLY2

Related product manuals