EasyManua.ls Logo

LG VX8560 - Page 102

LG VX8560
235 pages
To Next Page IconTo Next Page
To Next Page IconTo Next Page
To Previous Page IconTo Previous Page
To Previous Page IconTo Previous Page
Loading...
LG Electronics Inc.
VX8560
2
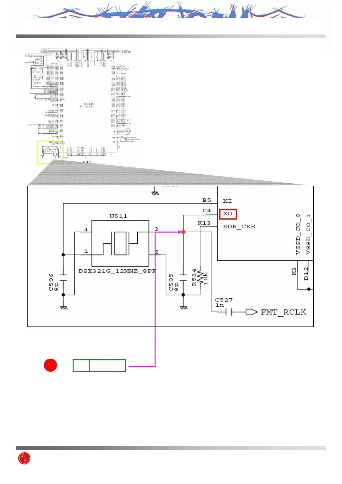
TP4
PIN3 OF U511
XO
XWYVYZ\
102/235
Z3X-BOX.COM

Related product manuals