EasyManua.ls Logo

LG VX8560 - Page 101

LG VX8560
235 pages
Print Icon
To Next Page IconTo Next Page
To Next Page IconTo Next Page
To Previous Page IconTo Previous Page
To Previous Page IconTo Previous Page
Loading...
LG Electronics Inc.
VX8560
1
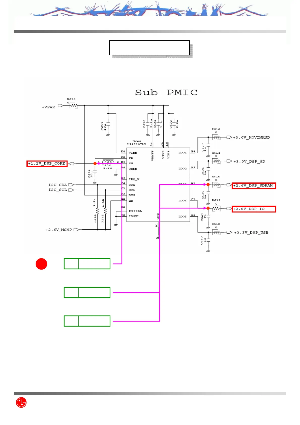
Circuit Diagram
Circuit Diagram
TP1
L606
+1.2V_DSP_CORE
TP2
C636
+2.6V_DSP_SDRAM
TP3
C641
+2.6V_DSP_IO
XWXVYZ\
101/235
Z3X-BOX.COM

Related product manuals