EasyManua.ls Logo

LG WFT60A30D - Wiring Diagram

LG WFT60A30D
64 pages
Print Icon
To Next Page IconTo Next Page
To Next Page IconTo Next Page
To Previous Page IconTo Previous Page
To Previous Page IconTo Previous Page
Loading...
4-2. DIAGRAMA DE CABLEADO
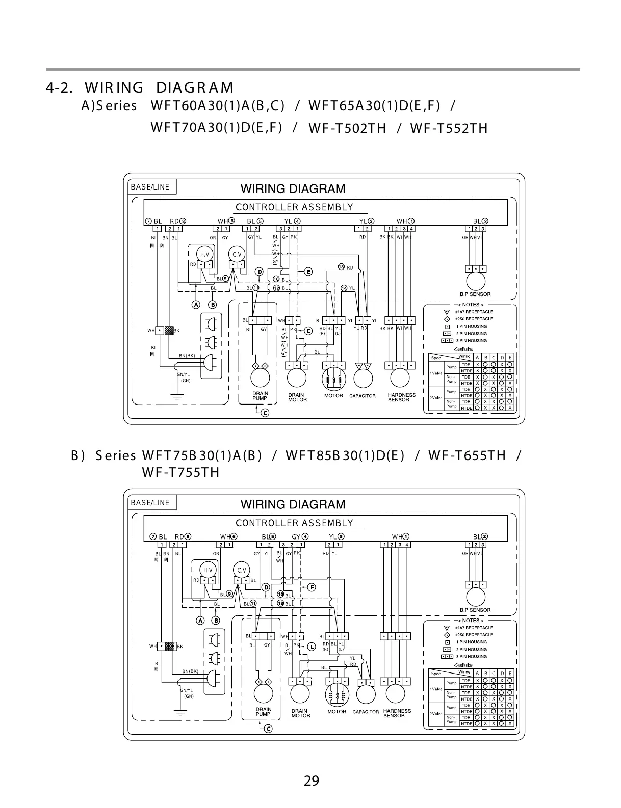
B ) S eries WF T 75B 30(1)A(B ) / WF T 85B 30(1)D(E ) / WF -T655TH /
WF -T 755T H
29
4-2. WIR ING DIAG R AM
A)S eries WF T60A 30(1)A (B ,C ) / WF T65A 30(1)D(E ,F ) /
WF T70A 30(1)D(E ,F ) /
WF -T502TH / WF -T552TH
https://appliancetechmanuals.com

Related product manuals