EasyManua.ls Logo

LGMG AS1413 - Page 59

Default Icon
68 pages
Print Icon
To Next Page IconTo Next Page
To Next Page IconTo Next Page
To Previous Page IconTo Previous Page
To Previous Page IconTo Previous Page
Loading...
USER MANUAL - SS0407E / SS0507E / SS0607E / AS0607 / AS0607W / AS0607WE / AS0607E / AS0608 / AS0608E
59
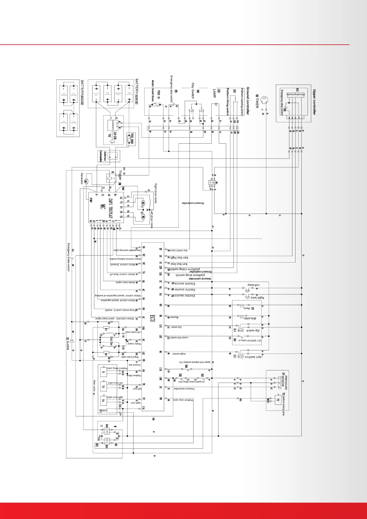
Chapter 12 - Electrical diagram
Operation Manual of Elevating Work Platform
99
• AS series Electric drive

Other manuals for LGMG AS1413

Related product manuals