EasyManua.ls Logo

LGMG AS1413 - Chapter 11; Electrical Diagram

Default Icon
68 pages
Print Icon
To Next Page IconTo Next Page
To Next Page IconTo Next Page
To Previous Page IconTo Previous Page
To Previous Page IconTo Previous Page
Loading...
www.lgmgeurope.com
AS0808 / AS0808E / AS0812 / AS0812E / AS1012 / AS1012E / AS1212 / AS1212E / AS1413
58
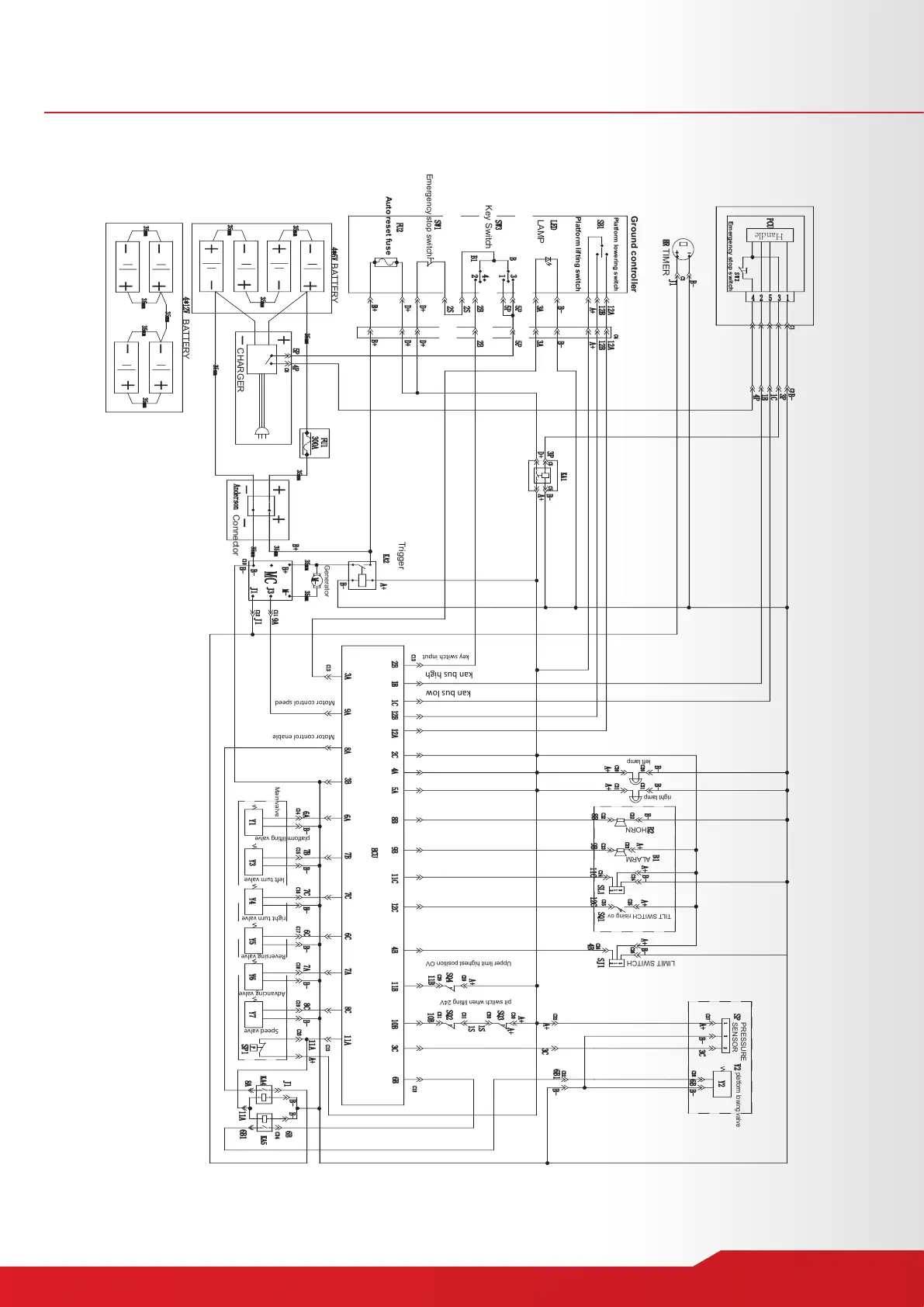
Chapter 12 - Electrical diagram
LED
SW3
SW1
FU2
SB1
B2
B1
3
1
2
SL1
SQ1
HR
+
-
S W 2
4 2 5 3 1
Y7Y6Y5Y4Y3Y1
+
-
Anderson
+
-
FU1
300A M-
B-
J1
J3
MC
B+
M-
2
1
3
SJ1
SQ2
1 3
2
SP
Y2
Y2
8C7A6C7C7B
6A
3B
8A9A
3A
1C 12A 5A2C 4A 9B 11C8B 12C2B 1B 12B 4B
6B
3C10B
ECU
PCU
11B
SQ4
C1 C2
C3
C4
C10
C11
C12
C13
C13
C13
C14 C15 C16 C17 C18 C19
C20
C20
C21
C21
C22
C23
C22 C23
C24
C25
C25
C26
C26
C27
C29
C29
C31
C31
C30
C30
SQ3
2B
7B
6A
7C 6C 7A 8C
9A
J1
B- B- B- B- B- B-
B-
B+
B+
J1
B-
B-
B-
B-
C28
C32
C32
B-
B-
1C
1B
3A
B-
12A
12B
A+
A+
A+
A+
A+
A+ A+
A+
A+
B- B-
B-
8B
9B
C24
11C
12C
4B
A+
6B
6B1
3C
A+
B- 3C
10B
11B
-
+-
+
+
-
+ -
- +
+-
+
-
C8
+
+
-
-
D+
D+
5P
3P
4P
1S
1S
12A
12B
A+
B-
3A
5P
2B
D+
D+
B+
2S
2S
5P
B
B1
1
3
4
2
4*12V
P
SP1
KA4
35mm
35mm
35mm
35mm
35mm
35mm
35mm
35mm
35mm 35mm
35mm
35mm
35mm
35mm
35mm
C33
11A
C13
A+
11A
A+
KA5
C34
6B
6B1
B-
B-
J1
8A
11A
KA2
A+
B-
KA1
C5 C5
B-
A+
D+
3P
5P
4P
4*6V
TIMER
LAMP
Key Switch
Emergency stop switch
Auto reset fuse
BATTERY
BATTERY
CHARGER
Connector
Trigger
Generator
Emergency stop switch
Ground controller
Platform lifting switch
Platform lowering switch
ALARM
HORN
TILT SWITCH rising ov
LIMIT SWITCH
PRESSURE
SENSOR
platform lowing valve
key switch input
kan bus high
kan bus low
Upper limit highest position OV
pit switch when lifting 24V
left lamp
right lamp
Motor control speed
Motor control enable
platform lifting valve
Main valve
leturn valve
right turn valve
Reversing valve
Advancing valve
Speed valve
Handle
• AS series Hydraulic drive

Other manuals for LGMG AS1413

Related product manuals