EasyManua.ls Logo

Limitorque SB Series - Control Station; Figure 4.10 - Typical Wiring Diagram-Built-In Reversing Starter and Control Station for a Three-Phase Power Supply

Default Icon
96 pages
Print Icon
To Next Page IconTo Next Page
To Next Page IconTo Next Page
To Previous Page IconTo Previous Page
To Previous Page IconTo Previous Page
Loading...
SMB/SB Installation and Maintenance Manual 140-11000 • July 2003 4-18
Flow Control Division
Limitorque Actuation Systems
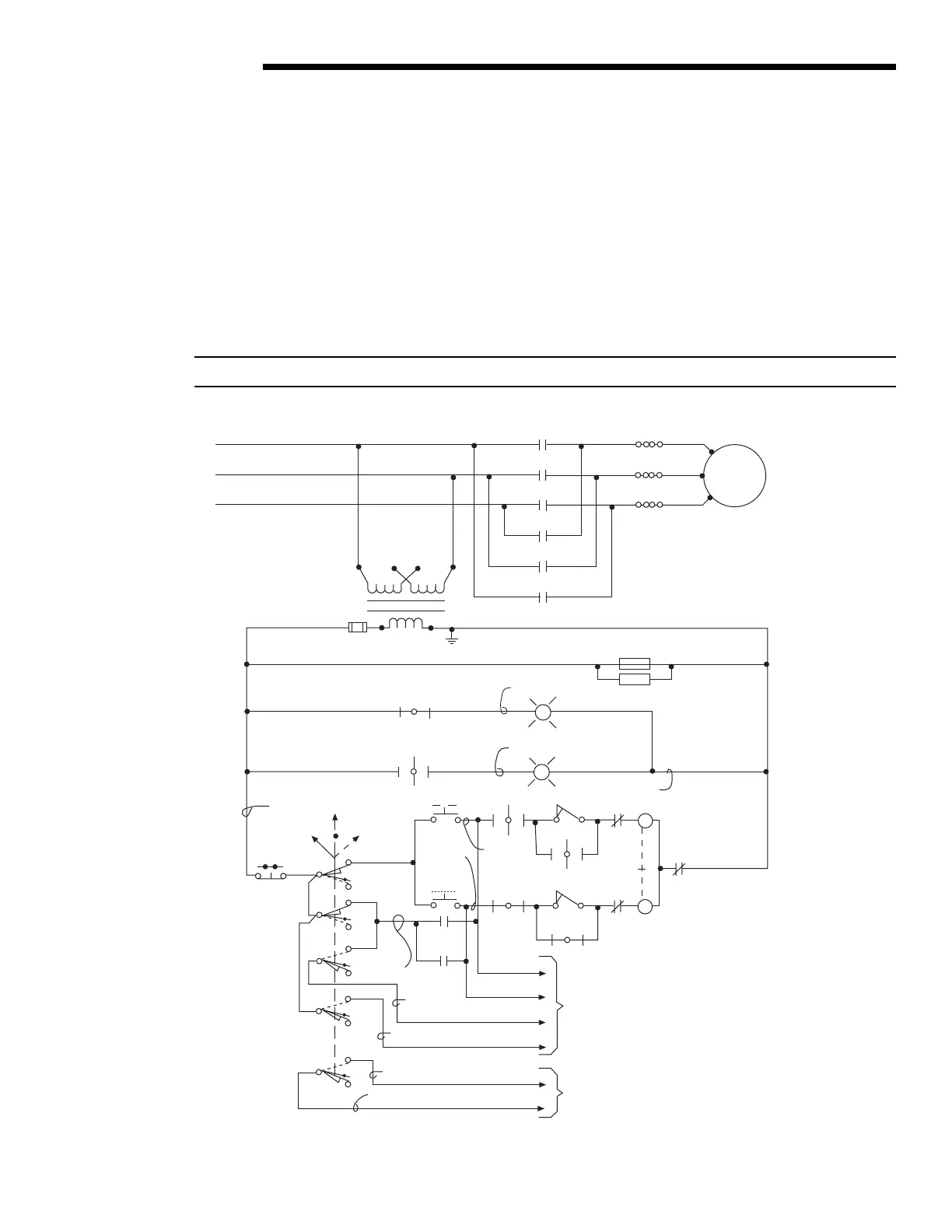
4.7.3 Control Station
The control station consists of
•a five-position Local-Stop-Off-Stop-Remote selector switch, padlockable in each position
•a spring return Open-Close selector switch
•green and red LED lights for position indication.
Typical wiring of the control station in conjunction with the motor control circuit is shown below in Figure 4.10.
Figure 4.10 – Typical Wiring Diagram—Built-in Reversing Starter and Control Station for a Three-Phase Power Supply
NOTE: Current design. Earlier control wiring varies slightly.
L1
L2
L3
M1
M2
M3
OL
OL
OL
Motor
T1
T2
T3
CL2
CL2
C
C
C
o
o
o
(H1)(H3) (H2)(H4)
CL1
CL1
CL1
CL1
60
70
7
3
SS
OFF
Black
LOCAL
REMOTE
PB2
STOP
CL1
Red
Green
CL2
CL2
OL
White
Yellow
Blue
PB1
OPEN
CPT
FUSE
(X1) (X2)
HTR1
HTR2
4
43
18
45
47
C
o
C
o
5
8
5
Brown
Orange
Pink
REMOTE (31)
REMOTE (30)
Gray
5
5
9
31
30
3
11
3
7
PB3
CLOSE
53
41
5
Purple
STOP (9)
COMMON (11)
CLOSE (51)
OPEN (41)
1
17
55
57
2
To customer’s
equipment
Remote
indication
if required
51

Table of Contents

Related product manuals