EasyManua.ls Logo

Lincoln FlowMaster 85568 - Page 21

Lincoln FlowMaster 85568
49 pages
Print Icon
To Next Page IconTo Next Page
To Next Page IconTo Next Page
To Previous Page IconTo Previous Page
To Previous Page IconTo Previous Page
Loading...
Forme 403693
Page numéro 21
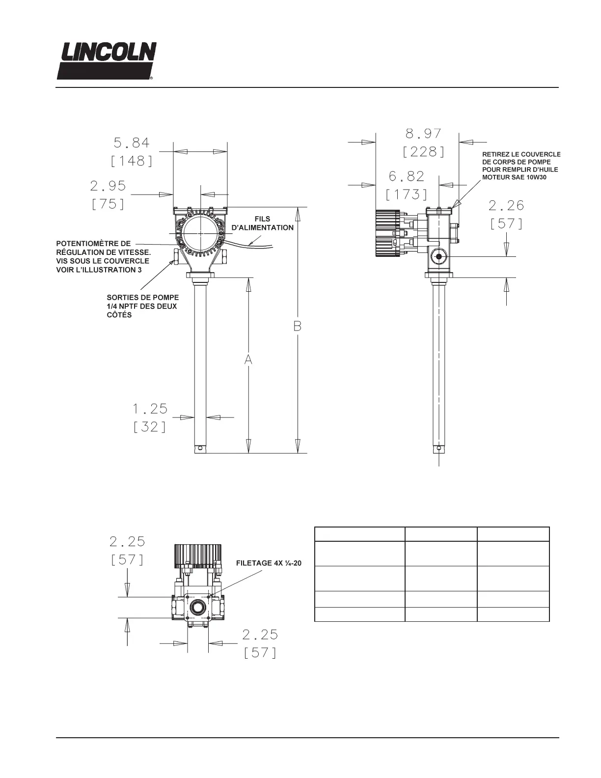
Électropompe à entraînement rotatif
FlowMaster™
MODELÉ DIM “A” in (mm) DIM “B” in (mm)
85552, 85569, 85587,
274873© 13.69 (348) 21.25 (540)
85554, 85567,
275626© 19.00 (483) 26.60 (676)
85553, 85566, 85568 27.50 (699) 35.00 (889)
85591 34.00 (864) 41.60 (1057)
© indique un changement