EasyManua.ls Logo

Lincoln FlowMaster 85568 - Page 45

Lincoln FlowMaster 85568
49 pages
Print Icon
To Next Page IconTo Next Page
To Next Page IconTo Next Page
To Previous Page IconTo Previous Page
To Previous Page IconTo Previous Page
Loading...
Formulario 403693
Página 45
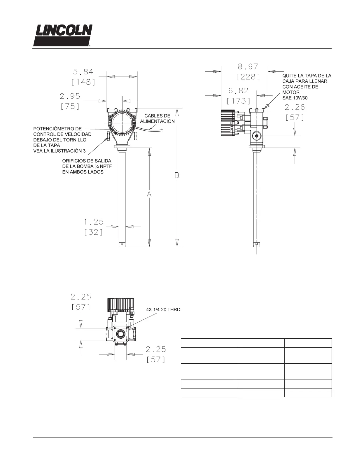
Ilustración 11
Bomba eléctrica giratoria
FlowMaster™, 24 VCC
MODEL DIM "A" in (mm) DIM "B" in (mm)
85552, 85569,
85587, 274873© 13.69 (348) 21.25 (540)
85554, 85567,
275626© 19.00 (483) 26.60 (676)
85553, 85566, 85568 27.50 (699) 35.00 (889)
85591 34.00(888) 41.60 (1,057)
© Indica cambio

Related product manuals