EasyManua.ls Logo

LINCOS STD-5335A - Appendix

LINCOS STD-5335A
28 pages
Print Icon
To Next Page IconTo Next Page
To Next Page IconTo Next Page
To Previous Page IconTo Previous Page
To Previous Page IconTo Previous Page
Loading...
LINCOS
®
AUTOMOTIVE TOOLS
26
SCISSOR VEHICLE LIFT STD-5335A
APPENDIX
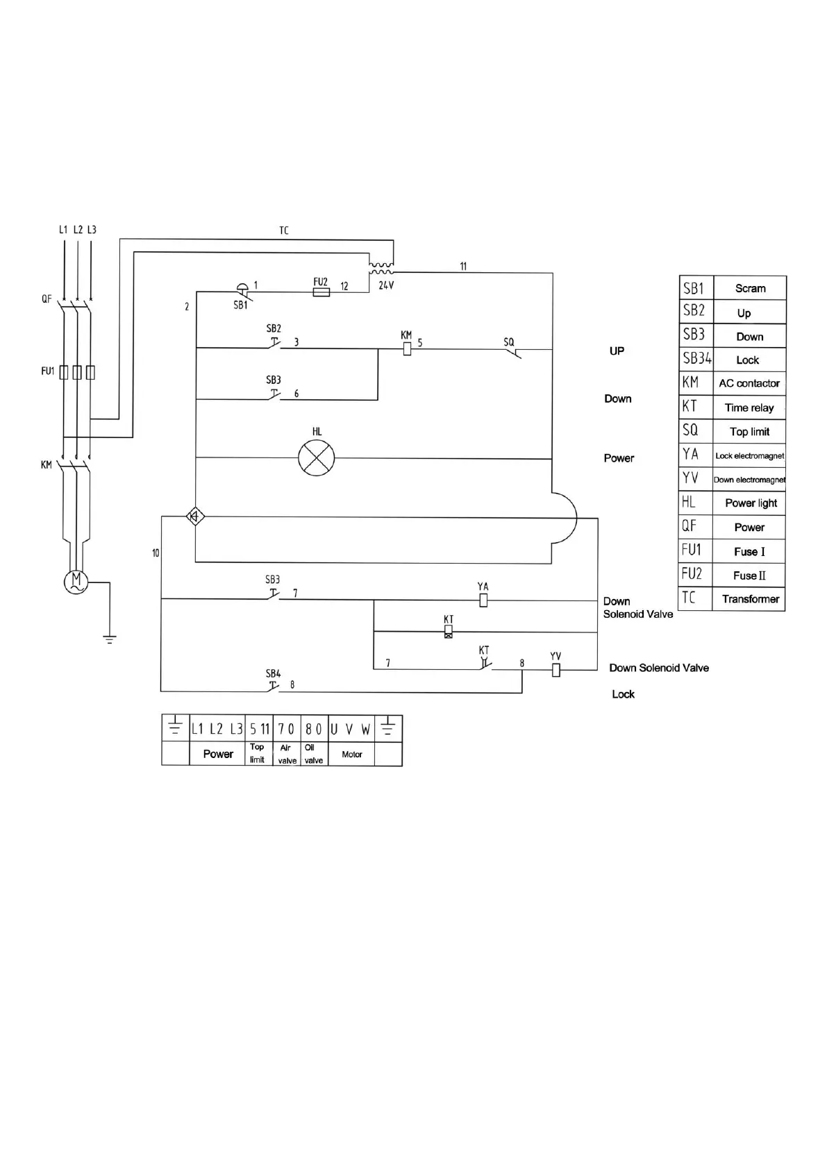
Electrical diagram

Related product manuals